Foram encontradas 20.519 questões.
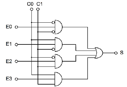
O circuito lógico apresentado é um exemplo de

Provas
Analise as informações a seguir para responder à questão abaixo.
A tabela verdade apresentada refere-se a um circuito lógico de três entradas (A, B e C) e saída F.
| A | B | C | F |
|---|---|---|---|
| 0 | 0 | 0 | 0 |
| 0 | 0 | 1 | 1 |
| 0 | 1 | 0 | 0 |
| 0 | 1 | 1 | 1 |
| 1 | 0 | 0 | 1 |
| 1 | 0 | 1 | 1 |
| 1 | 1 | 0 | 0 |
| 1 | 1 | 1 | 0 |
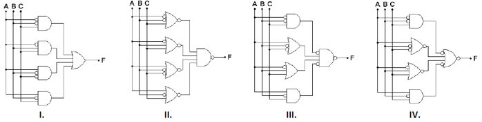
Os circuitos correspondentes à tabela verdade podem ser representados por diagramas lógicos. Analise-se.

Estão corretas apenas as alternativas
Provas
Analise as informações a seguir para responder à questão abaixo.
A tabela verdade apresentada refere-se a um circuito lógico de três entradas (A, B e C) e saída F.
| A | B | C | F |
|---|---|---|---|
| 0 | 0 | 0 | 0 |
| 0 | 0 | 1 | 1 |
| 0 | 1 | 0 | 0 |
| 0 | 1 | 1 | 1 |
| 1 | 0 | 0 | 1 |
| 1 | 0 | 1 | 1 |
| 1 | 1 | 0 | 0 |
| 1 | 1 | 1 | 0 |
A função F pode ser escrita da(s) seguinte(s) forma(s)
I. \( F = (\overline{A} \cdot \overline{B} \cdot C) + (\overline{A} \cdot B \cdot C) + (A \cdot \overline{B} \cdot \overline{C}) + (A \cdot \overline{B} \cdot C) \)
II. \( F = (A \cdot \overline{B} \cdot \overline{C}) \cdot (\overline{A} \cdot \overline{B} \cdot C) + (A \cdot (B \cdot \overline{C})) + (\overline{A} \cdot B \cdot C) \)
III.\( F = (A + B + \overline{C}) + (A \cdot \overline{B} \cdot C) + (A \cdot \overline{B} + C) \)
IV.\( F = (A + B + \overline{C}) + (A \cdot \overline{B} \cdot C) + (A + B + \overline{C}) + (A \cdot \overline{B} \cdot C) \)
Estão corretas apenas as alternativas
Provas
Analise os quatro números na base binária a seguir.
01011010 (2) 10001001(2) 10110110(2) 10011101(2)
Os valores das somas destes números, representadas nas bases decimal e hexadecimal são, respectivamente,
Provas
O atuador das válvulas de controle é responsável pela força motriz para sua operação, sendo classificado basicamente em alguns tipos com relação à forma de geração dessa força. De acordo com o tipo de atuador, suas vantagens e desvantagens, analise as afirmativas.
I. Pneumático à mola ou diafragma: baixo custo e simplicidade, porém, com torques limitados.
II. Elétrico: baixo custo, resposta rápida, mas pouca compacticidade, ruim para aplicações remotas.
III. Cilindro ou pistão: não há necessidade de alta pressão de ar de suprimento, menor peso, mas resposta lenta.
IV. Elétrico-hidraúlico: capacidade de altíssimo torque e resposta rápida, porém, possui alto custo, grande peso e tamanho.
Estão corretas apenas as afirmativas
Provas
Numa indústria de processo, as válvulas de controle são elementos indispensáveis que, operados por energia, formam o elemento final em um sistema de controle de processo, para regulagem das vazões dos fluidos. Em relação às propriedades das válvulas de controle e atuadores, assinale a afirmativa INCORRETA.
Provas
Circuitos para medição e controle exigem precisão e segurança nos resultados. Para isso muitos instrumentos que trabalham com base de tempo, necessitam de osciladores ou geradores de clock que garantam estabilidade e exatidão. Assinale a alternativa que apresenta maior precisão.
Provas
As figuras a seguir representam o gráfico de três componentes de um sinal no domínio do tempo e da frequência (espectro), respectivamente.

Considerando que as amplitudes das componentes de pico a pico são A, A/3 e A/5, e suas frequências fo, 3fo e 5fo, e que no espectro de frequência os valores equivalem ao módulo de pico e pico, é correto afirmar que a forma de onda resultante das três componentes se assemelha à forma de uma onda
Provas
Os encoders são dispositivos transdutores de movimento capazes de converter movimentos lineares ou angulares em informações elétricas, ou mesmo transformadas em informações binárias. A partir das propriedades e dos tipos de encoders, assinale a alternativa INCORRETA.
Provas
Em muitos casos, após a leitura de uma grandeza por um sensor, é necessário preparar o valor dessa grandeza antes de processá-la, pois o nível de tensão, ou valor da variação da resistência ôhmica, pode não ser suficiente para excitar a etapa seguinte. Com base no exposto, analise as afirmativas.
I. O sensor pode ser conectado na base de um transistor bipolar de uso geral para acionar um relé desde que polarizado para corte e saturação.
II. Um PTC ou NTC devidamente polarizado pode acionar um relé através de sua corrente de coletor.
III. As pequenas variações de correntes vindas de um sensor podem ser aplicadas na entrada de um amplificador diferencial, e sua saída aciona um relé ou servo mecanismo.
IV. Acopladores óticos podem ser ligados na base de um transistor polarizado para amplificarem os pulsos resultantes de um disco ranhurado, gerador de pulsos, para leitura de velocidade por exemplo.
Estão corretas apenas as afirmativas
Provas
Caderno Container