Foram encontradas 658 questões.
O extensômetro, também conhecido como strain gauge, é um sensor bastante utilizado em aplicações de engenharia. Em relação ao extensômetro, analise as afirmativas abaixo.
I É um sensor para medir a aceleração de corpos de prova.
II É um bipolo que tem sua corrente elétrica alterada quando sofre deformação.
III Deve sofrer deformação igual à do corpo cuja deformação deseja-se medir.
IV Quando submetido à deformação tem sua resistência elétrica alterada.
Estão corretas apenas as afirmativas
Provas
Um termopar tipo K é utilizado para medir a temperatura de uma superfície metálica. Para tanto, uma extremidade da junção termopar é mantida em contato com a superfície, enquanto a outra extremidade é conectada a um voltímetro, sendo mantida a exatos 0 ºC. A tensão registrada no voltímetro é de 9,343 mV e a temperatura ambiente é de 20ºC. Nesse contexto, observe os dados da tabela abaixo
TABELA TERMOPAR TIPO K EMF em Milivolts, junções à 0 oC
ºC | 0 | 1 | 2 | 3 | 4 | 5 | 6 | 7 | 8 | 9 | 10 |
200 | 8.138 | 8.178 | 8.218 | 8.258 | 8.298 | 8.338 | 8.378 | 8.418 | 8.458 | 8.499 | 8.539 |
210 | 8.539 | 8.579 | 8.619 | 8.659 | 8.699 | 8.739 | 8.779 | 8.819 | 8.860 | 8.900 | 8.940 |
220 | 8.940 | 8.980 | 9.020 | 9.061 | 9.101 | 9.141 | 9.181 | 9.222 | 9.262 | 9.302 | 9.343 |
230 | 9.343 | 9.383 | 9.423 | 9.464 | 9.504 | 9.545 | 9.585 | 9.626 | 9.666 | 9.707 | 9.747 |
240 | 9.747 | 9.788 | 9.828 | 9.869 | 9.909 | 9.950 | 9.991 | 10.031 | 10.072 | 10.113 | 10.153 |
250 | 10.153 | 10.194 | 10.235 | 10.276 | 10.316 | 10.357 | 10.398 | 10.439 | 10.480 | 10.520 | 10.561 |
260 | 10.561 | 10.602 | 10.643 | 10.684 | 10.725 | 10.766 | 10.807 | 10.848 | 10.889 | 10.930 | 10.971 |
270 | 10.971 | 11.012 | 11.053 | 11.094 | 11.135 | 11.176 | 11.217 | 11.259 | 11.300 | 11.341 | 11.382 |
280 | 11.382 | 11.423 | 11.465 | 11.506 | 11.547 | 11.588 | 11.630 | 11.671 | 11.712 | 11.753 | 11.795 |
290 | 11.795 | 11.836 | 11.877 | 11.919 | 11.960 | 12.001 | 12.043 | 12.084 | 12.126 | 12.167 | 12.209 |
De acordo com os dados da tabela, a temperatura da superfície é de
Provas
Para movimentar um manipulador robótico articulado para uma dada posição no espaço, é preciso encontrar uma sequência de deslocamentos angulares para suas articulações. Isso pode ser feito com a utilização da inversa da matriz jacobiana do manipulador, que representa as variações de posição do manipulador com relação aos ângulos das articulações. Considerando o manipulador ao lado, a matriz jacobiana desse manipulador está representada em

Provas
Em robótica, transformações homogêneas são usadas para representação de configurações, para mudar o sistema de referência e para deslocar um ponto ou sistema. Nesse contexto, considere as afirmações abaixo a respeito de transformações homogêneas.
I Satisfazem as propriedades associativa e comutativa.
II Podem ser representadas por uma matriz de transformação de dimensão 4x4.
III São compostas das operações de rotação e translação.
IV São compostas apenas de operações de translação.
Estão corretas as afirmações
Provas
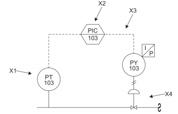
I. X1 é um medidor de temperatura instalado atrás do painel e inacessível ao operador, na malha 103. II. X2 é um controlador indicador de pressão, computador de processo, na sala de controle e acessível ao operador, na malha 103. III. X3 é um sinal elétrico. IV. X4 é uma válvula de controle comandada por pressão, na malha 103. Está correto o que consta APENAS em
Provas
Provas
Provas
Provas
Provas
Provas
Caderno Container