Foram encontradas 50 questões.
Em 1831, Faraday determinou, basicamente, existem dois mecanismos de indução: um resultante do fluxo magnético variável no tempo, e outro devido ao movimento de um campo magnético. Partindo do primeiro caso, Faraday observou que ao se mover um condutor formando um laço fechado, ou seja, uma espira em curto-circuito, através de um campo magnético produzido por um imã, ou vice-versa, movendo-se o imã, enquanto a espira permanece estacionária, flui uma corrente pelo condutor. Afirma-se que esse é o princípio de funcionamento:
Provas
O método das malhas se baseia na constatação de que basta conhecer o número de malhas de tensão para se resolver um circuito. O método segue orientações claras para sua resolução. Sobre esse método, assinale a alternativa incorreta.
Provas
Assinale abaixo a correta definição de energia e potência.
Provas
Considere que temos um corpo como o representado abaixo, constituído por um fio elétrico com 1,5 km de comprimento, bitola 1,0 mm2 e com resistividade elétrica e respectivo material desconhecidos. Se tivermos uma resistência total desse fio de 43,8 MΩ, podemos afirmar que sua resistividade elétrica e seu material são, respectivamente:

Provas
“O Brasil é um país com grande diversidade climática. Em alguns lugares faz frio e em outros, muito calor, mas em geral, nosso clima é quente em quase todo o território” (IBGE, 2022). Assinale a alternativa que apresente o tipo de clima correspondente ao estado do Amapá.
Provas
Com relação aos conectivos lógicos e considerando as proposições simples p e q, cujo valor lógico de cada um é falso, assinale a alternativa incorreta.
Provas
As subestações de distribuição, que são supridas pela rede de subtransmissão, são responsáveis pela transformação de tensão de subtransmissão para a de distribuição primária. Há inúmeros arranjos de subestações de distribuição possíveis, variando com a potência instalada nela. Seguem abaixo três exemplos dos vários possíveis:

Assinale a alternativa que apresenta a descrição correta dos três arranjos, respectivamente.
Provas
Desde a geração de energia em uma usina hidrelétrica até chegar a todos os consumidores dela, esta é transmitida em várias faixas de tensão. Essas faixas de tensão são compatíveis com suas etapas e cada região brasileira trabalha com valores que atendem todas as normas relativas. Assim, das faixas de valores abaixo apresentados, assinale a alternativa incorreta.
Provas
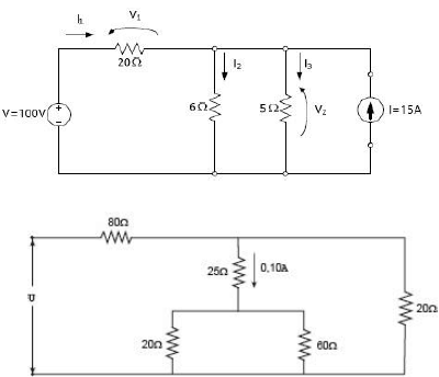
“Em um circuito elétrico linear com mais de uma fonte, é possível calcular a corrente ou a tensão em qualquer ponto do circuito como a soma algébrica das contribuições individuais das fontes”. Dessa forma, ao calcularmos o valor da corrente I2, no circuito abaixo, obtemos como resultado o valor de:
Provas
Determinar o valor da tensão “U” no circuito resistivo ao lado. Após todos os cálculos necessários, conclui-se que essa tensão vale:

Provas
Caderno Container