Foram encontradas 100 questões.
Assinale a alternativa que completa corretamente a lacuna do texto a seguir.
A soma das diferenças de potencial de todas as cargas do campo eletrostático é conhecida como .
Provas
Questão presente nas seguintes provas
No circuito abaixo, calcule o valor de VO.

Provas
Questão presente nas seguintes provas
Coloque (1) para adjunto adnominal e (2) para adjunto adverbial. Depois assinale a alternativa com a sequência correta.
( ) Na placa estava escrito: Preferência para pessoas com criança de colo.
( ) A criança, no colo, sorria a todos os que passavam.
( ) Do colo, a criança sorria a todos que passavam.
Provas
Questão presente nas seguintes provas
Assinale a alternativa incorreta em relação ao emprego do pronome relativo onde.
Provas
Questão presente nas seguintes provas
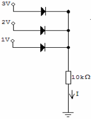
Calcule a corrente I, sabendo-se que os diodos são ideais.

Provas
Questão presente nas seguintes provas
Qual é o tipo de antena cujo comprimento é metade do comprimento de onda do sinal?
Provas
Questão presente nas seguintes provas
Leia:
“Hoje, segues de novo... Na partida
Nem o pranto os teus olhos umedece
Nem te comove a dor da despedida.”
Nem o pranto os teus olhos umedece
Nem te comove a dor da despedida.”
De acordo com a transitividade verbal, nos versos acima, há
Provas
Questão presente nas seguintes provas
2442656
Ano: 2012
Disciplina: Engenharia de Telecomunicações
Banca: DIRENS Aeronáutica
Orgão: EEAr
Disciplina: Engenharia de Telecomunicações
Banca: DIRENS Aeronáutica
Orgão: EEAr
Provas:
Marque V (Verdadeiro) ou F (Falso) e, em seguida, assinale a alternativa que contém a sequência correta.
( ) Modulação é um processo que consiste em se alterar uma característica da onda portadora proporcionalmente ao sinal modulante.
( ) A amplitude é a única característica que pode ser alterada para a portadora senoidal.
( ) A Modulação em Amplitude (AM) pode ser subdividida em duas categorias, a saber, AM-DSB/SC e AM-SSB.
( ) A Modulação em Frequência (FM) ou a Modulação em Fase (PM), por suas grandes semelhanças, são classificadas como Modulação Angular.
Provas
Questão presente nas seguintes provas
Com base no circuito RL e nos dados apresentados abaixo, determine o valor da corrente total.
Dado: !$ \pi=3,14 !$; V = 40V; !$ \mathsf{T=2\pi~ms} !$.

Provas
Questão presente nas seguintes provas
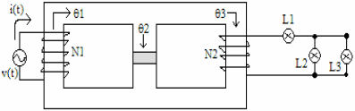
O núcleo do circuito magnético abaixo é constituído de material ferromagnético. A parte em destaque no circuito magnético (em cinza) é também do mesmo material ferromagnético, porém ela é móvel, ou seja, pode ser retirada do circuito.
Dado:
N1: número de espiras da bobina 1.
N2: número de espiras da bobina 2.
L1, L2, L3: lâmpadas.
v(t): fonte de tensão alternada.
i(t): corrente fornecida por v(t).
!$ \theta1 !$, !$ \theta2 !$, !$ \theta3 !$: fluxo magnético no núcleo ferromagnético.
N2: número de espiras da bobina 2.
L1, L2, L3: lâmpadas.
v(t): fonte de tensão alternada.
i(t): corrente fornecida por v(t).
!$ \theta1 !$, !$ \theta2 !$, !$ \theta3 !$: fluxo magnético no núcleo ferromagnético.

Com base nas informações acima, assinale a afirmativa correta.
Provas
Questão presente nas seguintes provas
Cadernos
Caderno Container