Foram encontradas 100 questões.
Leia:
I. O acampamento deixou cansados os novos alunos.
II. Cansados, os novos alunos deixaram o acampamento.
III. Os novos alunos deixaram cansados o acampamento.
Há predicativo do objeto em
Provas
Questão presente nas seguintes provas
Leia:
Ele vivia da política corrupta; sua ex-esposa do trabalho honesto.
Caberia uma vírgula para substituir um termo omitido depois de
Provas
Questão presente nas seguintes provas
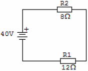
No circuito abaixo, calcule a VR1.

Provas
Questão presente nas seguintes provas
O circuito abaixo trata-se de um amplificador com realimentação negativa, o que resulta num ganho geral reduzido. Mesmo assim, esse amplificador apresenta alguns benefícios satisfatórios. Assinale a alternativa que não apresenta um desses benefícios.

Provas
Questão presente nas seguintes provas
A figura abaixo mostra a curva característica de qual tipo de filtro?

Provas
Questão presente nas seguintes provas
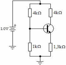
Calcule a potência total fornecida pela fonte.
Dado: Quando polarizada diretamente, VBE = 0,7 V.

Provas
Questão presente nas seguintes provas
Em qual alternativa o substantivo em destaque classifica-se como composto?
Provas
Questão presente nas seguintes provas
Um transformador com 1200 espiras no primário e 150 espiras no secundário retira 1,2 A de uma linha de 127 V. Calcule a corrente no secundário.
Provas
Questão presente nas seguintes provas
Com base na forma de onda de saída abaixo (Y), conclui-se que se trata de uma porta lógica .
Provas
Questão presente nas seguintes provas
Assinale a alternativa que completa corretamente a lacuna do texto a seguir:
Uma fonte de tensão ideal tem resistência interna .
Provas
Questão presente nas seguintes provas
Cadernos
Caderno Container