Foram encontradas 100 questões.
Assinale a afirmativa correta.
Provas
Questão presente nas seguintes provas
O termo destacado abaixo exerce a função sintática de objeto indireto em
Provas
Questão presente nas seguintes provas
Assinale a alternativa que apresenta uma configuração de circuito empregada para medir resistência elétrica.
Provas
Questão presente nas seguintes provas
Assinale a alternativa em que há erro quanto à regência nominal, de acordo com a norma culta.
Provas
Questão presente nas seguintes provas
Com base na configuração de transistores abaixo, assinale a alternativa correta.

Provas
Questão presente nas seguintes provas
Um certo tipo de memória é especificado como 4M x 8. Qual o número total de bits que essa memória pode armazenar?
Provas
Questão presente nas seguintes provas
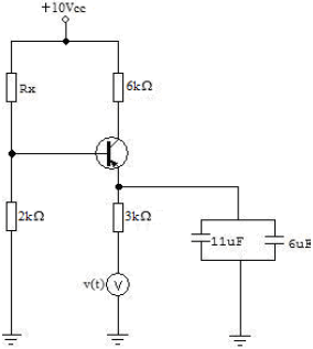
Em análise de corrente contínua, a tensão de emissor do circuito abaixo é 2,7 V. Calcule o valor de Rx.
Dados:
quando polarizada diretamente, o módulo de VEB = 0,7 V.
v(t) = VPICO.cos(w.t)
v(t) = VPICO.cos(w.t)

Provas
Questão presente nas seguintes provas
Em relação à concordância nominal, assinale a alternativa correta.
Provas
Questão presente nas seguintes provas
Assinale a afirmativa correta sobre diodos semicondutores.
Provas
Questão presente nas seguintes provas
Sobre linhas de transmissão, assinale a afirmativa incorreta.
Provas
Questão presente nas seguintes provas
Cadernos
Caderno Container