Foram encontradas 100 questões.
Leia:
O veículo elétrico não emite gás carbônico ou nenhum outro tipo de gás nocivo ao meio ambiente.
Assinale a alternativa em que o predicado destacado classifica-se como o predicado presente no trecho em destaque na frase acima.
Provas
Questão presente nas seguintes provas
Leia:
Ao contrário do que a juventude dos anos 60 viveu, os rapazes e as moças de hoje tem estabelecido com os pais uma relação de proximidade e amizade. Os temores que havia por parte dos filhos agora estão sendo dissipados.
Considerando os verbos em destaque, de acordo com a norma culta, pode-se dizer que a concordância do(s)
Provas
Questão presente nas seguintes provas
Analise o circuito abaixo e marque V (verdadeiro) ou F (falso) e assinale a alternativa com a sequência correta.
Dado:
DAC: conversor Digital–Analógico de 4 entradas (a, b, c, d).
Saída: terminal de saída do DAC.
Vref: terminal de tensão de referência do DAC.
v(t) = VPICO. cos(wt).
Saída: terminal de saída do DAC.
Vref: terminal de tensão de referência do DAC.
v(t) = VPICO. cos(wt).

( ) Ao avaliar todas as combinações possíveis, verificam-se, no máximo, 16 níveis de tensão na saída.
( ) Se o DAC desse circuito for substituído por outro de oito entradas, o sinal de saída apresentará mais níveis de tensão bem como maior valor de resolução.
( ) Quando à entrada do DAC aplica-se a combinação 1111 e, simultaneamente, a tensão de referência encontra-se em seu valor de pico positivo, a saída do DAC fornece seu maior valor de saída.
Provas
Questão presente nas seguintes provas
Assinale a alternativa que apresenta a tabela da verdade correspondente ao circuito abaixo

Provas
Questão presente nas seguintes provas
Em qual alternativa o termo destacado não é locução adjetiva?
Provas
Questão presente nas seguintes provas
Em qual alternativa o termo destacado é complemento nominal?
Provas
Questão presente nas seguintes provas
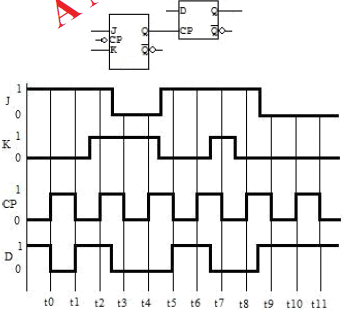
Conforme o circuito e as formas de onda abaixo, assinale a alternativa que corresponde à saída Q do Flip-Flop tipo D a partir do instante t0.
Dados:
o Flip-Flop JK é disparado por borda de descida;
o Flip-Flop tipo D é disparado por borda de subida;
a onda CP abaixo refere-se ao Fli-Flop JK;
para t < t0, a saída Q do Flip-Flop JK é nível lógico 1; e
desconsidere os atrasos dos Flip-Flops.
o Flip-Flop tipo D é disparado por borda de subida;
a onda CP abaixo refere-se ao Fli-Flop JK;
para t < t0, a saída Q do Flip-Flop JK é nível lógico 1; e
desconsidere os atrasos dos Flip-Flops.

Provas
Questão presente nas seguintes provas
Assinale a alternativa que completa corretamente a lacuna do texto a seguir:
O sistema consiste em variar a posição do pulso de portadora, proporcionalmente ao sinal modulante, mantendo constantes a amplitude e a largura dos pulsos.
Provas
Questão presente nas seguintes provas
Simplifique a expressão: !$ y=ABC+A\overline{B}C+A\overline{BC} !$
Provas
Questão presente nas seguintes provas
Assinale a alternativa em que os verbos em destaque estão no modo imperativo.
Provas
Questão presente nas seguintes provas
Cadernos
Caderno Container