Foram encontradas 60 questões.
As coberturas tem como finalidade principal proteger a edificação das intempéries.
Sobre a execução de estruturas de coberturas, analise as afirmações:
I. A trama de estrutura com cobertura em telhas cerâmicas deverá ser composta por terças, caibros e ripas.
II. O espaçamento médio usual entre ripas é de 33 cm e entre caibros é de 50 cm.
III. As telhas metálicas não exigem a utilização de caibros e ripas, sendo necessárias as terças.
IV. As terças podem ser apoiadas em qualquer ponto da empena (banzo superior) da tesoura.
Estão corretas apenas as afirmações:
Provas
Questão presente nas seguintes provas
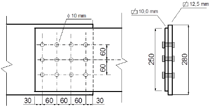
As duas chapas de aço MR-250 estão ligadas por meio de parafusos comuns. A ligação da figura foi dimensionada para suportar uma carga de tração de cálculo de 120 kN.

Considerando essa ligação, analise as afirmativas:
I. Para adequar a ligação para suportar uma carga de tração de cálculo de 150 kN, poderiam ser colocados mais três parafusos, acrescentando mais uma coluna de parafusos, o que aumentaria o comprimento total da ligação.
II. Uma alternativa para melhorar a eficiência da ligação seria aumentar o diâmetro dos parafusos.
III. O número de linhas de parafusos adotadas no detalhamento da ligação influenciou na capacidade de carga dessa ligação.
Estão corretas apenas as afirmativas:
Provas
Questão presente nas seguintes provas
Suponha que uma esfera de raio 3 m está completamente cheia de água e deseja-se despejar toda a água em cilindros de altura 2 m, com base de um círculo de 3 m de raio. Quantos cilindros serão necessários?
Provas
Questão presente nas seguintes provas
A planta mostrada abaixo representa uma laje maciça de concreto armado, armada em duas direções, com 10 cm de espessura e submetida a uma sobrecarga de 3,50kN/m2. Considerando o peso específico do concreto armado de 25kN/m3, a taxa de carregamento distribuído nas vigas V1 e V4, em kN/m são, respectivamente:

Provas
Questão presente nas seguintes provas
Como se sabe, a vírgula determina uma pausa breve no discurso, separando elementos de uma oração ou orações entre si em uma mesma frase. Assim sendo, assinale dentre as alternativas abaixo, a que apresenta INADEQUADAMENTE o uso da vírgula.
Provas
Questão presente nas seguintes provas
Leia o texto que segue, escrito por Julia Michaels, retirado do sítio www.revistagalileu.globo.com, em 18/09/2013. Em seguida, responda à questão.
Nossa nova língua portuguesa
Logo que comecei a trabalhar como editora, reparei que a diferença entre a língua falada e a língua escrita é maior em português do que em inglês, meu idioma nativo. Um estrangeiro pode passar anos sem topar com uma ênclise. De repente, abre um livro e paft! As pessoas não se sentam; sentam-se. Uma porta não se fecha; fecha-se. O ex-presidente Jânio Quadros uma vez falou "fi-lo porque qui-lo". Tradução: fiz porque quis - e foi por causa da ênclise falada que a frase entrou na história. Enquanto os vizinhos hispânicos mantêm seus verbos reflexivos falados certinhos, os brasileiros ao falar deixam cair toda espécie de pronome. Escrever, porém, trata-se de outra história. É quase como se fosse um outro idioma.
O português é muito mais aberto do que línguas como o espanhol e o francês. Não existe aqui um forte sentimento nacional pela preservação linguística. Enquanto em espanhol se utiliza Sida, aqui se fala de Aids, a sigla em inglês. Outro dia li "bêbado como um gambá" numa tradução e corri para ver como estava a frase no inglês original, pensando que o tradutor a tivesse erroneamente traduzido ao pé da letra, pois existe a expressão "drunk as a skunk". Mas essa aliteração, que nada tem a ver com o comportamento do fedorento animal, não estava no texto original! Concluí que a expressão deve ser um empréstimo que veio há tempos de minha terra natal, talvez por meio de algum filme.
Neste momento histórico de globalização e acesso máximo à informação, as pessoas no mundo inteiro prezam acima de tudo a comunicação, de maneira eficiente. Daí surgem as abreviações-gíria como "vc" (você) "rs" (risos), "pq" (por que) e "tranks" (tranquilo). No meu trabalho, vejo o impacto da crescente massificação da comunicação escrita. Os livros que chegam aqui dos EUA estão escritos cada vez mais como se o autor estivesse falando em voz alta com seus leitores: "Tenho certeza de que a esta altura você está se perguntando...", para ficar em apenas um exemplo. Até os franceses, tão mais formais no trato do que os brasileiros, estão mudando. No seu novo livro sobre as ligações entre a mitologia grega e o desenvolvimento pessoal, o filósofo Luc Ferry utiliza o "tu", e não o "vous", quando dirige a palavra àquele que vira as páginas.
Em português, esse tipo de abordagem soa muito crua. Fica difícil saber se é melhor escrever "como eu te disse há pouco", "como eu lhe disse há pouco" ou "como eu disse há pouco".
Alguns podem pensar que é o inglês que está influenciando as estruturas do português escrito, tornando-o (ih!) mais fácil para ler, mas eu discordo. Sim, foram meus compatriotas os pioneiros na democratização de linguagem, séculos atrás. Um dos fundadores do Estado americano, Benjamin Franklin, até escreveu um livro de ditados populares (foi ele quem observou que, no caso de peixes e hóspedes, ambos fedem em três dias). Mas a meu ver é a própria democratização brasileira que leva à abertura linguística. Ao passo que as pessoas sobem na pirâmide política, social e econômica do País, precisamos e procuramos maior acessibilidade ao mundo da palavra escrita.
Quem produz e vende livros quer comercializar o maior número possível deles, e não restringir a leitura aos poucos eruditos, que, como o Jânio, poderiam explicar seus hábitos assim: "Bebo porque é líquido. Se fosse sólido, comê-lo-ia". Hoje o público tem mais a cara da minha podóloga, que acaba de comprar uma casa pela Caixa Econômica: "Quero ler um livro que minha filha está lendo; não consigo pronunciar direito o nome. É algo assim: Cre-pús-cu-lo".
No último parágrafo do texto, a palavra “eruditos” pode ser substituída, sem alteração de sentido, por
Provas
Questão presente nas seguintes provas
Leia a notícia abaixo:
MPF denuncia servidores por desvio de dinheiro público
O Ministério Público Federal ajuizou ação civil pública contra três servidores públicos federais de um determinado órgão público federal e um empresário, por ato de improbidade administrativa. A ação, divulgada no dia 3 de fevereiro de 2013 pelo Ministério Público Federal, aponta desvio de dinheiro público e pede a indisponibilidade de bens e o afastamento dos servidores públicos federais dos cargos que ocupam.
De acordo com o MPF, a empresa envolvida na denúncia venceu licitação, em outubro do ano passado, para a venda de lubrificantes, óleos e graxas para a frota de veículos para o órgão federal. Dois servidores teriam autorizado empenho no valor de R$ 75.123,00 e a chefe do Departamento de Compras teria mantido contato com a empresa para a emissão de notas fiscais referentes aos materiais, os quais não foram entregues. Para o Ministério Público Federal, houve dano ao erário e enriquecimento ilícito dos envolvidos. Do total pago, R$ 32 mil teriam sido devolvidos ao chefe do Departamento de Compras do órgão federal, conforme aponta a ação.
Analisando o texto acima, qual é a penalidade prevista na Lei n. 8.112/90 para os delitos cometidos pelos três servidores públicos federais?
Provas
Questão presente nas seguintes provas
Argamassas são uma mistura formada por agregado miúdo, materiais aglomerantes e água para amassamento. Uma argamassa é dita mista quando há presença de mais de um aglomerante em sua composição.
Com base nessas informações, a única alternativa que corresponde a uma argamassa mista é:
Provas
Questão presente nas seguintes provas
Um dos prováveis problemas patológicos que aparecem em uma viga de concreto armado são as chamadas “fissuras por flexão”. A figura abaixo apresenta a forma típica da ocorrência deste problema; sendo que, evidentemente, trata-se apenas de uma representação para auxiliar na identificação do problema.

Com base nesta informação, a única alternativa que NÃO representa um possível diagnóstico para a patologia em questão é:
Provas
Questão presente nas seguintes provas
Quais dos métodos abaixo descritos NÃO podem ser empregados para a determinação de desníveis.
Provas
Questão presente nas seguintes provas
Cadernos
Caderno Container