Foram encontradas 350 questões.
I. AULA DE PORTUGUÊS
A linguagem
na ponta da língua,
tão fácil de falar
e de entender.
na ponta da língua,
tão fácil de falar
e de entender.
A linguagem
na superfície estrelada de letras,
sabe lá o que ela quer dizer?
na superfície estrelada de letras,
sabe lá o que ela quer dizer?
Professor Carlos Góis, ele é quem sabe,
e vai desmatando
o amazonas de minha ignorância.
Figuras de gramática, esquipáticas,
atropelam-me, aturdem-me, sequestram-me.
e vai desmatando
o amazonas de minha ignorância.
Figuras de gramática, esquipáticas,
atropelam-me, aturdem-me, sequestram-me.
Já esqueci a língua em que comia,
em que pedia para ir lá fora,
em que levava e dava pontapé,
a língua, breve língua entrecortada
do namoro com a prima.
em que pedia para ir lá fora,
em que levava e dava pontapé,
a língua, breve língua entrecortada
do namoro com a prima.
O português são dois; o outro, mistério.
Carlos Drummond de Andrade
II. Um Professor de “agramática”
Descobri aos 13 anos que o que me dava prazer nas
leituras não era a beleza das frases, mas a doença
delas.
leituras não era a beleza das frases, mas a doença
delas.
Comuniquei ao Padre Ezequiel, um meu Preceptor,
esse gosto esquisito.
esse gosto esquisito.
Eu pensava que fosse um sujeito escaleno.
– Gostar de fazer defeitos na frase é muito saudável,
o Padre me disse.
o Padre me disse.
Ele fez um limpamento em meus receios.
O Padre falou ainda: Manoel, isso não é doença,
pode muito que você carregue para o resto da vida
um certo gosto por nadas…
pode muito que você carregue para o resto da vida
um certo gosto por nadas…
E se riu.
Você não é de bugre? – ele continuou.
Que sim, eu respondi.
Veja que bugre só pega por desvios, não anda em
estradas –
estradas –
Pois é nos desvios que encontra as melhores surpresas
e os ariticuns maduros.
e os ariticuns maduros.
Há que apenas saber errar bem o seu idioma.
Esse Padre Ezequiel foi o meu primeiro professor de
agramática.
agramática.
(Manoel de Barros)
A partir da leitura dos textos (I) e (II), só NÃO podemos dizer que, em ambos, o ensino da língua portuguesa:
Provas
Questão presente nas seguintes provas
A Política de Saneamento - Lei 11.445/2007 completou 10 anos de sua implementação em 2017. Apesar disso, a situação de saneamento no Brasil ainda se encontra muito distante dos níveis para se atingir padrões de qualidade requeridos pelas cidades brasileiras . É correto o que se afirma, em relação às determinações introduzidas pela Lei, em:
Provas
Questão presente nas seguintes provas
Atualmente, as plantas têm sido alvo de programas de melhoramento genético. Neste contexto, as plantas geneticamente modificadas (PGMs) passaram por três fases de atuação. A primeira consistiu de plantas com maior resistência, ou seja, plantas com menor deterioração e consequentemente maior prazo de validade. Uma segunda geração de plantas visou ao enriquecimento genético, ao acrescentar a elas maior valor nutricional, resistência a antibióticos ou a herbicidas. Já a terceira geração de PGMs adicionou a elas a capacidade de produzir subprodutos de interesse para a indústria de uma forma geral. Dentre os mecanismos a seguir, qual deles não é utilizado para a obtenção de PGMs?
Provas
Questão presente nas seguintes provas
São obrigados a estruturar e implementar sistemas de logística reversa, mediante retorno dos produtos após o uso pelo consumidor, de forma independente do serviço público de limpeza urbana e de manejo dos resíduos sólidos, os fabricantes, importadores, distribuidores e comerciantes de:
I - óleos lubrificantes, seus resíduos e embalagens;
II - embalagens;
III - lâmpadas fluorescentes, de vapor de sódio e mercúrio e de luz mista;
IV - produtos eletroeletrônicos e seus componentes.
São CORRETAS as afirmativas:
Provas
Questão presente nas seguintes provas
Em um hipotético projeto de um robô, os engenheiros concluíram a lógica de funcionamento de três motores (!$ M_1 !$, !$ M_2 !$ e !$ M_3 !$) pela seguinte função booleana: !$ \overline{M}_1 \overline{M}_2 \overline{M}_3 !$ + !$ M_1 \overline{M}_2 \overline{M}_3 !$ + !$ M_1 M_2 \overline{M}_3 !$ Todavia, por questões de custo, foram obrigados a simplificá-la ao máximo. Dessa forma, assinale a função lógica definitiva do projeto.
Provas
Questão presente nas seguintes provas
De acordo com o histórico de alterações da Lei de Diretrizes e Bases da Educação Nacional, desde sua criação em 1961, e os demais documentos que apresentam concepções a respeito do ensino médio, no que tange à disciplina de Educação Física, é CORRETO afirmar que:
Provas
Questão presente nas seguintes provas
De acordo com o Código Tributário Nacional, na ausência de disposição expressa, a autoridade competente para aplicar a legislação tributária utilizará, sucessivamente, na ordem indicada:
Provas
Questão presente nas seguintes provas
Diabetes (ou diabetes mellitus, ou DM) é uma doença crônica e progressiva caracterizada por níveis elevados de glicose no sangue. As causas desta doença são: produção insuficiente de insulina pelo pâncreas ou as células do corpo não respondem adequadamente à insulina produzida. Existem três tipos principais de diabetes mellitus:
DM tipo 1: resulta da falha do pâncreas em produzir insulina suficiente devido à perda de células beta.
DM tipo 2: começa com resistência à insulina, uma condição na qual as células não respondem adequadamente à insulina.
Diabetes gestacional: é a terceira forma e ocorre quando mulheres grávidas sem história prévia de diabetes desenvolvem níveis elevados de açúcar no sangue.
Diabetes de todos os tipos podem levar a complicações em muitas partes do corpo e podem aumentar o risco de morte prematura. No mundo todo, mais de 400 milhões de pessoas vivem com diabetes (dados da Organização Mundial de Saúde). Felizmente, algumas ferramentas eficazes estão disponíveis para controlar o diabetes tipo 1 e melhorar o manejo para reduzir as complicações da diabetes.
Na década de 70, com a tecnologia do DNA recombinante, o gene codificador do hormônio foi clonado em bactérias geneticamente modificadas. No processo de construção de uma molécula de DNA recombinante, é essencial analisar as características do vetor e das enzimas utilizadas. Analise as afirmações abaixo e assinale a alternativa correta.
I - A enzima de restrição utilizada na construção da molécula recombinante que conterá as informações para a produção da insulina humana reconhece apenas uma única sequência de nucleotídeos, dissociando as pontes de hidrogênio do DNA sempre que esta sequência for encontrada ao longo do genoma.
II - Há algumas enzimas de restrição que clivam o DNA a partir de suas extremidades, as exonucleases, e outras que clivam o DNA em sequência nucleotídicas específicas, as endonuclease, sendo que as últimas são mais adequadas para construção de moléculas de DNA recombinante.
III - Plasmídeos, molécula de DNA circulares, fita simples, que ocorrem naturalmente em bactérias, são utilizados como vetores de clonagem.
Provas
Questão presente nas seguintes provas
As Estações de Tratamento de Água são concebidas para remover os riscos presentes nas águas das fontes de abastecimento, por meio da combinação de processos e de operações de tratamento. Na tecnologia de ciclo completo, vários processos e mecanismos ocorrem. Marque (V) para as afirmativas verdadeiras e (F) para as falsas.
( ) A água bruta é coagulada com um sal de alumínio ou de ferro no mecanismo de varredura na unidade de mistura rápida.
( ) Após a floculação, a água é encaminhada aos decantadores para que ocorra a sedimentação dos flocos.
( ) A água clarificada, produzida nos decantadores, é encaminhada à unidade de filtração e posterior desinfecção.
( ) A água bruta não recebe coagulantes e é encaminhada para unidades de filtração e, depois, desinfecção.
Assinale a sequência CORRETA:
Provas
Questão presente nas seguintes provas
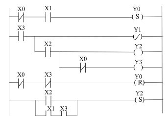
Na entrada do CLP existem 4 chaves (liga-desliga) denominadas ch0; ch1; ch2 e ch3 cujos estados (0; 1) são armazenados, respectivamente, nos endereços X0; X1; X2 e; X3. Por outro lado, na saída do CLP, existem 4 lâmpadas identificadas como L0; L1; L2 e; L3 cujos estados (0; 1) estão associados, respectivamente, aos endereços Y0; Y1; Y2 e; Y3. Os estados das quatro chaves estão indicados na “Tabela CLP – Estados Entrada”. Após a execução do programa Ladder, determine o resultado dos estados das lâmpadas representados na “Tabela CLP – Estados Saída”. Ressaltando que o estado “1” é ligado e “0” é desligado.


Provas
Questão presente nas seguintes provas
Cadernos
Caderno Container