Foram encontradas 478 questões.

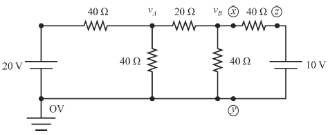
Tendo como referência o circuito apresentado acima, julgue o item a seguir.
Se o resistor de 20 \(\Omega\) for substituído por um indutor de 20 H, então, em regime permanente, o módulo da corrente que passará pelo indutor será igual al 0,5 A.
Provas

Tendo como referência o circuito apresentado acima, julgue o item a seguir.
A corrente que flui do nó vA para o nó vB é igual a \(1 \over 12\) A.
Provas

Tendo como referência o circuito apresentado acima, julgue o item a seguir.
O equivalente de Thèvenin para o circuito à esquerda dos pontos indicados pelas letras x e y é composto por uma fonte de tensão de \(10 \over 3\)V em série com uma resistência de 10 \(\Omega\).
Provas

Tendo como referência o circuito apresentado acima, julgue o item a seguir.
Se a fonte de tensão de 10 V for substituída por um curto-circuito, então o módulo da corrente fornecida ao circuito pela fonte de 20 V será igual a \(1 \over 3\) A.
Provas
Com relação a conferência e análise dos principais quantitativos de serviços de obras e a irregularidades verificadas durante o processo de auditoria, julgue o item abaixo.
Por meio da análise de quantitativos, é possível identificar irregularidades, tais como deficiência no projeto básico da obra e realização de serviços sem cobertura contratual.
Provas
Considere-se que uma obra relativa à expansão de uma subestação em alta tensão tenha sido contratada por empresa pública, conforme os requisitos legais exigidos pela Lei n.º 8.666/1993 e suas alterações. Considere-se, ainda, que, após algum tempo e com a obra ainda inacabada, tenham começado a ser observados alguns fatos que poderiam ser usados para rescisão do contrato.
Nessa situação, de acordo com a lei em apreço, a rescisão do contrato justifica-se caso
a obra tenha sido paralisada pela contratada por justa causa, com comunicação prévia à empresa contratante.
Provas
Considere-se que uma obra relativa à expansão de uma subestação em alta tensão tenha sido contratada por empresa pública, conforme os requisitos legais exigidos pela Lei n.º 8.666/1993 e suas alterações. Considere-se, ainda, que, após algum tempo e com a obra ainda inacabada, tenham começado a ser observados alguns fatos que poderiam ser usados para rescisão do contrato.
Nessa situação, de acordo com a lei em apreço, a rescisão do contrato justifica-se caso
tenha ocorrido uma única falta na execução do contrato, conforme anotação do serviço de fiscalização da contratante.
Provas
Considere-se que uma obra relativa à expansão de uma subestação em alta tensão tenha sido contratada por empresa pública, conforme os requisitos legais exigidos pela Lei n.º 8.666/1993 e suas alterações. Considere-se, ainda, que, após algum tempo e com a obra ainda inacabada, tenham começado a ser observados alguns fatos que poderiam ser usados para rescisão do contrato.
Nessa situação, de acordo com a lei em apreço, a rescisão do contrato justifica-se caso
tenha ocorrido lentidão no cumprimento do contrato, levando à conclusão por parte da contratante sobre a impossibilidade de término da obra nos prazos estipulados em contrato.
Provas
Disciplina: Ética e Regulação Profissional
Banca: CESPE / CEBRASPE
Orgão: MJSP
A respeito da anotação de responsabilidade técnica (ART), julgue o item que se segue.
A ART deverá ser registrada antes que uma atividade técnica seja iniciada, de acordo com os dados de contrato escrito ou verbal. Caso seja constatado início de atividade técnica sem o registro da ART, o profissional ou o proprietário, dependendo do caso, deve ser notificado pelo CREA para registrar a ART ou contratar profissional habilitado, conforme resolução específica.
Provas
Disciplina: Segurança e Saúde no Trabalho (SST)
Banca: CESPE / CEBRASPE
Orgão: MJSP
Julgue o próximo item, relacionado a equipamento de proteção individual (EPI).
É competência da Fundação Jorge Duprat Figueiredo de Segurança e Medicina do Trabalho (FUNDACENTRO) cadastrar o fabricante ou o importador de EPI, bem como alterar os certificados de aprovação de EPI.
Provas
Caderno Container