Foram encontradas 80 questões.
A definição de um vocábulo deve respeitar a natureza do vocábulo.
Entre as definições abaixo, aquela que procede desse modo, tornando-se uma definição válida, é:
Provas
As frases abaixo mostram uma palavra sublinhada para a qual se apresenta um substituto entre parênteses.
A frase em que o novo termo assinala uma progressão ascendente de significação é:
Provas
Em todas as frases abaixo, as orações adjetivas sublinhadas foram substituídas por termos de sentido equivalente.
A única substituição que mostra um termo equivalente de sentido diferente do que se mostra na oração sublinhada é:
Provas
Em todas as frases abaixo, há termos de ligação sublinhados.
A frase em que esse termo se refere à estrutura do texto e não a fatos reais é:
Provas
Todas as frases abaixo empregaram processos para evitar-se a repetição de termos idênticos.
A frase em que o processo usado foi a utilização de um termo de sentido mais geral (hiperônimo) é:
Provas
“Ele ficou esgotado porque correu muito”.
A maneira de reescrevê-la que modifica o seu sentido original é:
Provas
A frase em que o processo de reescrituração NÃO elimina o pleonasmo original é:
Provas
“O problema em matéria de audição vem do fato de que o cérebro é um órgão muito rápido e que se pensa muito mais depressa do que se fala. Assim que escutamos uma pessoa, solicitamos ao cérebro que trabalhe muito mais lentamente em comparação com sua capacidade. Entretanto, não chegamos realmente a reduzir a velocidade do cérebro; enquanto registramos as palavras transmitidas pelo emissor, o cérebro continua a tratar as centenas de palavras e a fazer associações de ideias. Em outros termos, quando escutamos, nos resta algum tempo livre para pensar. É o emprego desse tempo livre que torna a escuta boa ou má”.
Levando em consideração que o conteúdo temático do texto é de difícil acesso pelo leitor comum, o processo utilizado para tornar esse conteúdo mais claro foi:
Provas

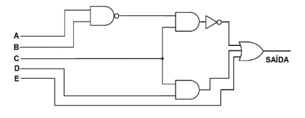
A saída será igual a zero para as entradas A, B, C, D e E, respectivamente, iguais a:
Provas
Provas
Caderno Container