Foram encontradas 100 questões.
Uma lâmpada de LED de 20W fica ligada por 12 horas por 30 dias seguidos. Se a taxa de energia é de R$ 1,50 por kWh consumido, o valor do custo total da energia consumida pelo sistema é de
Provas
A figura abaixo apresenta um circuito elétrico com destaque para a associação de resistores.

Os valores da resistência equivalente nos terminais RAB e RCD são iguais, respectivamente, a
Provas
Observe o circuito elétrico da figura abaixo:

Empregando os conceitos do Teorema de Norton, os valores da tensão e da corrente através de R2 são, respectivamente,
Provas
Se em um circuito circula uma corrente de 200 mA através de um resistor de 100 ohms, a potência dissipada por esse resistor será igual a
Provas
A figura abaixo ilustra um divisor de tensão:

Os valores para a corrente total I e das tensões V1 e V2 são, respectivamente,
Provas
A figura abaixo ilustra um circuito elétrico, que mostra um divisor de corrente.

Os valores de I1 e I2, em mA, são, respectivamente,
Provas
A figura mostra uma associação de resistores, sendo a tensão entre os pontos P e Q igual a V e as resistências R1 = R2 = R3 = R

O valor da corrente que flui sobre o resistor R2 é igual a
Provas
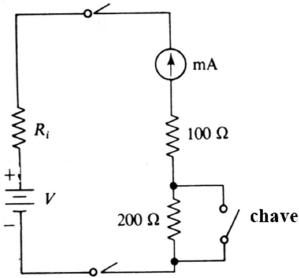
Um perito cuja especialidade é Engenharia Elétrica realizou um experimento indicado na figura abaixo. No circuito elétrico, a medida no amperímetro com a chave aberta é igual a 15 mA e com a chave fechada é de 30 mA.

Nessas condições, o valor da resistência interna da bateria Ri é de
Provas
Uma escritora reconstrói o país: a Ruanda de Scholastique Mukasonga
Em A mulher de pés descalços, obra de Scholastique Mukasonga dedicada à memória de sua mãe, a narradora em certo momento reflete sobre a dificuldade de se manter a vaidade no vilarejo formado na região de Gitagata, campo de refugiados para onde sua família foi enviada quando ela ainda era criança. A mãe da escritora, Stefania, era uma pessoa a quem muitas garotas recorriam para descobrir se poderiam ser consideradas moças bonitas. Ela tinha um histórico de sucesso na formação de casais. Nas tardes de domingo, geralmente guardadas para descanso ou alguma diversão, era comum que jovens fossem ao seu quintal para concorrer um pouco por sua atenção. A beleza é um dado social, definida na interação entre as pessoas, e seus critérios mudam com o tempo. No entanto, uma vez que as pessoas participam da vida social, todos passam a reproduzir uma noção culturalmente aceita do que é considerado bonito(a). Qual a dificuldade então? Por que o juízo de uma pessoa tinha tanta importância? Porque lá não havia espelhos.
Nos dias de sol forte, era possível correr a uma poça d’água para ver o próprio reflexo, mas o retrato era imperfeito e oscilante. A solução era saber de si pelos olhos de outros. Essa situação nos permite ver um pouco da matéria de que é feita a literatura(b) de Mukasonga: relações comunitárias, precariedade material, busca de si. O ritmo da prosa é balanceado por uma certa temporalidade rural. A experiência histórica que sombreia todos os acontecimentos narrativos(c), uma espécie de moldura instável que frequentemente invade a imagem central, manifesta-se como violência.
Muitos dos que moram em Gitagata foram enviados para lá por serem tutsis, a etnia que passou a ser perseguida após a subida dos hutus ao poder de Ruanda nos anos 1960. A escrita de Mukasonga é resultado dos conflitos que caracterizaram o país no século XX. Seu primeiro livro tem o título Baratas. Era dessa forma que os tutsis eram chamados(d) pelos hutus que defendiam abertamente seu extermínio. Essa persistente agressão contra a humanidade das pessoas enfim teve o resultado condizente com a desumanização. Ela explodiu no genocídio de 1994, no qual centenas de milhares de ruandeses foram assassinados. A estimativa mais baixa é de que 800 mil pessoas foram mortas, a maioria delas a golpes de facão.
A história da violência em Ruanda não pode ser compreendida sem considerar o colonialismo europeu. Em 1931, autoridades belgas definiram que todos os indivíduos de Ruanda tivessem em seus documentos o registro de sua etnia. Esse marco é decisivo para se entender as tensões criadas no país, pois fixou o que não era rígido. Antes, a identidade étnica da região era mais fluida. Um hutu poderia se tornar um tutsi com o tempo, a depender do casamento e das relações estabelecidas ao longo da sua vida, e vice-versa. A administração colonial também manteve o privilégio de uma elite tutsi no acesso a postos de comando.
O processo de independência política do país teve início em 1959 e foi concluído em 1962, quando se formou o governo liderado por Grégoire Kayibanda, um político de origem hutu. Nas décadas seguintes, a tensão entre hutus e tutsis se intensificou. Muitos tutsis partiram para o exílio em países vizinhos como Burundi e Uganda, de onde organizaram movimentos de resistência. Outros foram enviados a campos de refugiados ou regiões inóspitas dentro do próprio país, como ocorreu com a família de Mukasonga.
A história da formação populacional de Ruanda é marcada por divergências. O jornalista Phillipe Gourevitch, autor de Gostaríamos de informá-lo de que amanhã seremos mortos com nossas famílias, admite que havia uma divisão étnica antes da chegada dos brancos à região no fim do século XIX, mas reconhece que não existia uma compreensão comum sobre o significado dela. Acredita-se que os hutus seriam povos mais ligados ao trabalho na agricultura. Os tutsis, por sua vez, se ocupariam majoritariamente da pecuária. No entanto, independente do grupo étnico, todos falavam a mesma língua, compartilhavam práticas culturais, visões de mundo, casavam-se entre si, moravam próximos uns dos outros, enfim, viviam sem a distinção incontornável que se cristalizou posteriormente.
Scholastique Mukasonga tem consciência de como seu país foi afetado pelo projeto colonial. A despeito das nomenclaturas hutu, tutsi ou tuá, todos os nascidos em Ruanda são efetivamente ruandeses. Ela recusa a narrativa de que um grupo tenha chegado antes de outro, de que suas diferenças são ancestrais. Em A mulher de pés descalços, há um diálogo da narradora com a mãe no qual ela percebe a força da narrativa colonial, na qual a ascendência tutsi tinha origens bíblicas. A voz criada pela autora em seus livros pretende retomar para si a história do povo em que ela nasceu(e). Suas obras, portanto, têm vários alcances. É um projeto literário entrelaçado a uma forma de escrita da história. Em sua versão de sobrevivente, há intenção de recuperar uma memória coletiva destroçada na brutalidade do genocídio.
(...)
(João Carlos Ribeiro Jr. Le monde diplomatique. 25 de maio de 2021)
Assinale a alternativa em que o QUE, no texto, se classifique de forma distinta da das demais alternativas.
Provas
Uma escritora reconstrói o país: a Ruanda de Scholastique Mukasonga
Em A mulher de pés descalços, obra de Scholastique Mukasonga dedicada à memória de sua mãe, a narradora em certo momento reflete sobre a dificuldade de se manter a vaidade no vilarejo formado na região de Gitagata, campo de refugiados para onde sua família foi enviada quando ela ainda era criança. A mãe da escritora, Stefania, era uma pessoa a quem muitas garotas recorriam para descobrir se poderiam ser consideradas moças bonitas. Ela tinha um histórico de sucesso na formação de casais. Nas tardes de domingo, geralmente guardadas para descanso ou alguma diversão, era comum que jovens fossem ao seu quintal para concorrer um pouco por sua atenção. A beleza é um dado social, definida na interação entre as pessoas, e seus critérios mudam com o tempo(a). No entanto, uma vez que as pessoas participam da vida social, todos passam a reproduzir uma noção culturalmente aceita do que é considerado bonito. Qual a dificuldade então? Por que o juízo de uma pessoa tinha tanta importância? Porque lá não havia espelhos.
Nos dias de sol forte(b), era possível correr a uma poça d’água para ver o próprio reflexo, mas o retrato era imperfeito e oscilante. A solução era saber de si pelos olhos de outros. Essa situação nos permite ver um pouco da matéria de que é feita a literatura de Mukasonga: relações comunitárias, precariedade material, busca de si. O ritmo da prosa é balanceado por uma certa temporalidade rural. A experiência histórica que sombreia todos os acontecimentos narrativos, uma espécie de moldura instável que frequentemente invade a imagem central, manifesta-se como violência.
Muitos dos que moram em Gitagata foram enviados para lá por serem tutsis, a etnia que passou a ser perseguida após a subida dos hutus ao poder de Ruanda nos anos 1960. A escrita de Mukasonga é resultado dos conflitos que caracterizaram o país no século XX. Seu primeiro livro tem o título Baratas. Era dessa forma que os tutsis eram chamados pelos hutus que defendiam abertamente seu extermínio. Essa persistente agressão contra a humanidade das pessoas enfim teve o resultado condizente com a desumanização. Ela explodiu no genocídio de 1994, no qual centenas de milhares de ruandeses foram assassinados. A estimativa mais baixa é de que 800 mil pessoas foram mortas, a maioria delas a golpes de facão(c).
A história da violência em Ruanda não pode ser compreendida sem considerar o colonialismo europeu. Em 1931, autoridades belgas definiram que todos os indivíduos de Ruanda tivessem em seus documentos o registro de sua etnia. Esse marco é decisivo para se entender as tensões criadas no país, pois fixou o que não era rígido. Antes(d), a identidade étnica da região era mais fluida. Um hutu poderia se tornar um tutsi com o tempo, a depender do casamento e das relações estabelecidas ao longo da sua vida, e vice-versa. A administração colonial também manteve o privilégio de uma elite tutsi no acesso a postos de comando(e).
O processo de independência política do país teve início em 1959 e foi concluído em 1962, quando se formou o governo liderado por Grégoire Kayibanda, um político de origem hutu. Nas décadas seguintes, a tensão entre hutus e tutsis se intensificou. Muitos tutsis partiram para o exílio em países vizinhos como Burundi e Uganda, de onde organizaram movimentos de resistência. Outros foram enviados a campos de refugiados ou regiões inóspitas dentro do próprio país, como ocorreu com a família de Mukasonga.
A história da formação populacional de Ruanda é marcada por divergências. O jornalista Phillipe Gourevitch, autor de Gostaríamos de informá-lo de que amanhã seremos mortos com nossas famílias, admite que havia uma divisão étnica antes da chegada dos brancos à região no fim do século XIX, mas reconhece que não existia uma compreensão comum sobre o significado dela. Acredita-se que os hutus seriam povos mais ligados ao trabalho na agricultura. Os tutsis, por sua vez, se ocupariam majoritariamente da pecuária. No entanto, independente do grupo étnico, todos falavam a mesma língua, compartilhavam práticas culturais, visões de mundo, casavam-se entre si, moravam próximos uns dos outros, enfim, viviam sem a distinção incontornável que se cristalizou posteriormente.
Scholastique Mukasonga tem consciência de como seu país foi afetado pelo projeto colonial. A despeito das nomenclaturas hutu, tutsi ou tuá, todos os nascidos em Ruanda são efetivamente ruandeses. Ela recusa a narrativa de que um grupo tenha chegado antes de outro, de que suas diferenças são ancestrais. Em A mulher de pés descalços, há um diálogo da narradora com a mãe no qual ela percebe a força da narrativa colonial, na qual a ascendência tutsi tinha origens bíblicas. A voz criada pela autora em seus livros pretende retomar para si a história do povo em que ela nasceu. Suas obras, portanto, têm vários alcances. É um projeto literário entrelaçado a uma forma de escrita da história. Em sua versão de sobrevivente, há intenção de recuperar uma memória coletiva destroçada na brutalidade do genocídio.
(...)
(João Carlos Ribeiro Jr. Le monde diplomatique. 25 de maio de 2021)
Assinale a alternativa em que o termo indicado NÃO exerça, no texto, papel adverbial.
Provas
Caderno Container