Foram encontradas 2.000 questões.
Um osciloscópio é colocado na entrada e na saída de um circuito eletrônico, fornecendo os seguintes sinais:

O esquema que representa esse circuito é

O esquema que representa esse circuito é
Provas
Questão presente nas seguintes provas
A corrente de uma carga pode ser descrita matematicamente, em função do tempo, por i(t) = I mcos( ωt + Φ), em que w é a frequência angular.
Considerando-se o valor eficaz da função, a notação fasorial dessa corrente é
Considerando-se o valor eficaz da função, a notação fasorial dessa corrente é
Provas
Questão presente nas seguintes provas
- EletrotécnicaCircuitos Elétricos em Eletricidade
- EletrotécnicaCircuitos de Corrente Contínua e de Corrente Alternada
Dois resistores idênticos são utilizados em um circuito (C1 ) segundo uma configuração em paralelo. Outros dois resistores idênticos aos anteriores são utilizados em outro circuito (C2 ) segundo uma configuração em série. Se as fontes de tensão que alimentam ambos os circuitos são iguais, a relação entre as correntes que passam pela fonte de cada circuito (i 1 /i 2 ) é
Provas
Questão presente nas seguintes provas
A Figura abaixo mostra a tela de um osciloscópio com o sinal senoidal retificado em onda completa.

Com base nos dados da Figura, o valor da frequência, em rad/s, do sinal senoidal aplicado na entrada desse retificador de onda completa é de

Com base nos dados da Figura, o valor da frequência, em rad/s, do sinal senoidal aplicado na entrada desse retificador de onda completa é de
Provas
Questão presente nas seguintes provas
O circuito mostrado na Figura abaixo é constituído de uma fonte de tensão V e três resistores R1 , R2 e R3 .

Deseja-se medir a tensão entre os terminais do resistor R1 e a resistência equivalente aos resistores R2 e R3 . 
Essas duas medidas são realizadas, respectivamente, por um
Provas
Questão presente nas seguintes provas
- EletrotécnicaCircuitos Elétricos em Eletricidade
- EletrotécnicaCircuitos de Corrente Contínua e de Corrente Alternada
Para medir a resistência interna de uma bateria de 12 V, foi montado o esquema de ensaio mostrado na Figura abaixo, utilizando-se um voltímetro, um amperímetro e uma carga resistiva R.

Considerando-se que a corrente medida no amperímetro foi de 5 A, e a tensão medida no voltímetro foi de 11 V, a resistência interna da bateria, em Ω, é de

Considerando-se que a corrente medida no amperímetro foi de 5 A, e a tensão medida no voltímetro foi de 11 V, a resistência interna da bateria, em Ω, é de
Provas
Questão presente nas seguintes provas
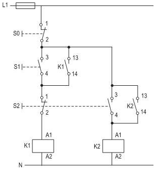
A Figura abaixo mostra o diagrama de comando de dois motores acionados pelas contatoras K1 (Motor 1) e K2 (Motor 2).

Analisando o diagrama, conclui-se que

Analisando o diagrama, conclui-se que
Provas
Questão presente nas seguintes provas
De acordo com a norma ABNT NBR-14039, as subestações de energia abrigadas devem ter iluminação artificial, obedecendo aos níveis de iluminamento fixados pela NBR 5413, e iluminação natural, sempre que possível.
Tais subestações devem ser providas de iluminação de segurança com autonomia mínima, em horas, igual a
Tais subestações devem ser providas de iluminação de segurança com autonomia mínima, em horas, igual a
Provas
Questão presente nas seguintes provas
- EletrotécnicaCircuitos Elétricos em Eletricidade
- EletrotécnicaCircuitos de Corrente Contínua e de Corrente Alternada
Na especificação de cabos elétricos de potência isolados, as tensões de isolamentos, em kV, são identificadas por dois valores Vx e Vy , comumente apresentados da seguinte forma Vx / Vy .
As tensões Vx e Vy , respectivamente, são
As tensões Vx e Vy , respectivamente, são
Provas
Questão presente nas seguintes provas
Sabe-se que um no-break (do inglês UPS – Uninterruptible Power Supply) é uma fonte de alimentação de emergência, regido pela NBR 15014, para aplicação em unidades especiais no caso da falta de energia da concessionária, operando através de intertravamento com a rede local. É dotado de baterias, retificadores, inversores de corrente e chaves.
Sua operação obedece à seguinte sequência:
Sua operação obedece à seguinte sequência:
Provas
Questão presente nas seguintes provas
Cadernos
Caderno Container