Foram encontradas 1.700 questões.
Na Figura abaixo, é ilustrado um circuito somador de sinais no tempo. A tensão de saída Vs (t) é a soma das tensões dos sinais senoidais de entrada com frequência angular ω.

Assim, a tensão de pico do sinal de saída Vs (t) será
Provas
Provas
Um motor síncrono de uma indústria é empregado para acionar uma carga que demanda uma potência constante, com fator de potência indutivo. Esse motor é alimentado com tensão terminal e frequência constantes. Em determinado ponto de sua operação, ajustes são feitos no motor de modo que a corrente de campo do rotor sofra um aumento.
Considerando-se desprezíveis as perdas no motor, ocorrerá
Provas
O fornecimento de energia elétrica a uma indústria é feito por um alimentador de distribuição cuja impedância elétrica é 1 j√3Ω . Essa indústria não possui nenhum controle de fator de potência e, por isso, sua impedância equivalente é de O 8 ∠ 60°Ω . A Figura abaixo apresenta o equivalente elétrico monofásico do circuito em que a tensão na entrada do barramento é de 40 kV fase-neutro.

De acordo com as informações apresentadas, o valor da queda de tensão, em quilovolts, no alimentador, é
Provas
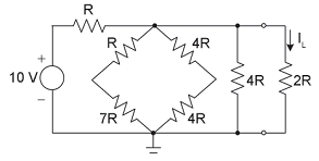
Na Figura abaixo, é ilustrado um circuito CC alimentado por uma fonte de tensão de 10 V, conectado a uma carga de 2R [Ω].

Se R = 10Ω, a corrente IL , em ampère, que passa pela carga é
Provas
Um motor de indução de 12 terminais possui seis bobinas, sendo duas para cada fase do enrolamento do estator. O valor eficaz da tensão nominal que cada bobina suporta é de 220 V. Esse motor deve ser conectado a uma rede elétrica cuja tensão de linha é de 440 V.
O diagrama elétrico de conexão das bobinas para que todas operem na tensão nominal é:
Provas
Em uma planta industrial, três cargas elétricas devem ser conectadas a uma rede elétrica de distribuição trifásica cuja tensão de linha é 220 V. As cargas são as seguintes:
Carga 1: Aparelho de ar condicionado monofásico de 220 V.
Carga 2: Motor elétrico trifásico de 220 V.
Carga 3: Ventilador industrial monofásico de 127 V.
De acordo com essas informações, o diagrama elétrico que apresenta a conexão das três cargas à rede elétrica é:
Provas
A Figura a seguir mostra um pequeno trecho de um projeto de instalação elétrica de uma casa. O revisor do projeto realiza a análise desse projeto e devolve-o ao desenhista com um comentário e um pedido para que seja corrigido.

De modo a fazer com que o projeto funcione corretamente com a mínima quantidade de condutores, o pedido enviado ao desenhista terá sido:
Provas
Sabe-se que
• a relação de transformação do transformador de corrente é 100:5; • a corrente de ajuste secundária da unidade temporizada é 3 A. Caso ocorra uma falta bifásica no ramal, cujo valor da corrente seja de 480 A, em quantos segundos, a partir do instante em que ocorreu a falta, o relé deverá atuar?
Provas
Fasores são elementos complexos, bastante empregados na solução de circuitos em corrente alternada, em seu estado estacionário senoidal.
A Figura abaixo mostra o diagrama fasorial de uma fonte de tensão monofásica E alimentando uma carga com tensão terminal VT, conectadas por meio de um cabo, cuja impedância é Z = R + jX.

Analisando-se o diagrama fasorial, conclui-se que a
Provas
Caderno Container