Foram encontradas 1.700 questões.
O erro percentual (expresso em %), quando a temperatura medida é de 470 K, é igual a
Provas
Para esse caso, esse símbolo identifica uma válvula comProvas
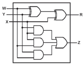
Considerando-se que a entrada X tem o valor sempre
igual a 0, o conjunto dos respectivos valores binários de
W, Y e Z que representa um resultado esperado para esse
circuito éProvas
Provas

A tensão de entrada (VI ) tem o valor constante de 12 V, a tensão de saída (Vo ) tem o valor constante de 5 V, e a corrente de saída (Io ) que passa sobre a carga (RL ) tem o valor de 1A.
Considerando desprezível a corrente que passa no resistor Rs , quantos watts são dissipados no transistor?
Provas
Em uma malha de controle, é preciso colocar um posicionador em uma válvula de sede simples.
Uma aplicação que justifica o uso desse posicionador nesse tipo de válvula é
Provas
Provas
Um transmissor de pressão diferencial vai ser utilizado para trabalhar na faixa de medição de 30 bar até 180 bar, correspondente a, respectivamente, 0% e 100% do sinal de saída. O sinal de saída é um sinal de corrente de 4-20 mA compatível com os equipamentos instalados.
Para um processo em que o sinal de saída do transmissor é de 13,6 mA, o sinal da pressão é
Provas
- Conversores Analógicos Digitais (AD) e Digitais Analógicos (DAC)
- Eletrônica Digital na Engenharia Eletrônica
Um sinal de tensão elétrica, variando continuamente no tempo, tem sua amplitude limitada entre -5V e +5V para possibilitar a sua digitalização através de um conversor Analógico/Digital (A/D) operando com 8 bits.
Essa conversão, nas condições apresentadas acima, vai acarretar um erro na quantização da amplitude da tensão, medido em mV, de aproximadamente
Provas
Provas
Caderno Container