Foram encontradas 930 questões.
Entre os testes projetivos encontramos:
I- CAT.
II- Rorschach.
III- TAT.
IV- Questionário desiderativo.
Marque a alternativa correta
Provas
Questão presente nas seguintes provas
Lei de Diretrizes e Bases da Educação Nacional (Lei nº 9.394/1996) estabelece que:
I – Os Municípios devem oferecer, com prioridade, o ensino fundamental.
II – Os Municípios devem assumir o transporte escolar dos alunos da rede municipal.
III – É dever dos pais ou responsáveis efetuar a matrícula dos menores, a partir dos seis anos de idade, no ensino fundamental.
IV – As universidades são instituições que devem possuir um corpo docente formado por, no mínimo, um terço, com titulação acadêmica de mestrado ou doutorado;
São verdadeiras as afirmações:
Provas
Questão presente nas seguintes provas
Com base na Lei 8.112/90, que estabelece os critérios para aposentadoria do servidor público, é INCORRETO afirmar:
Provas
Questão presente nas seguintes provas
A Resolução CFO-42/2003, de 20/05/03, que revoga o Código de Ética Odontológica aprovado pela Resolução CFO-179/91, de 19/12/9, em seu CAPÍTULO III, DOS DEVERES FUNDAMENTAIS, Art. 5º pronuncia que constituem deveres fundamentais dos profissionais e entidades de Odontologia, EXCETO:
Provas
Questão presente nas seguintes provas
Dentre os diversos tipos de estruturas de fundação, com relação ao radier, podemos afirmar:
Provas
Questão presente nas seguintes provas
Ao digitar o memorando citado, João Alves deve obedecer a uma forma de apresentação determinada. Os itens corretos são:
I- Fonte do tipo Times New Roman de corpo 12.
II- A margem lateral esquerda com no mínimo 3,0cm de largura.
III- A margem lateral direita com 1,5cm de largura.
IV- Espaçamento simples entre as linhas.
V- Uma linha em branco entre os parágrafos.
Estão corretos os itens:
Provas
Questão presente nas seguintes provas
Estão em manutenção o sistema de aquecimento e o controle de um forno de aquecimento elétrico, construído para temperatura máxima de 1200 °C, instalado em um laboratório de engenharia química. Assim, deverá ter sinalização em seu corpo e no quadro de alimentação na cor:
Provas
Questão presente nas seguintes provas
Considerando as regras de divisão silábica, assinale a alternativa cujas palavras estão separadas corretamente.
Provas
Questão presente nas seguintes provas
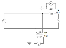
No circuito abaixo, a leitura dos equipamentos é 4 A e 15 V. Portanto, a potência na carga é:

Provas
Questão presente nas seguintes provas
A Cia. Label Ltda., com base em evidências de que o valor de um edifício estava diminuindo consideravelmente, realizou o teste de impairment obtendo as informações abaixo apresentadas.
|
Valor de venda – 130.000
(-) despesas -
(13.500)
|
Valor do ativo – 200.000
(-) Depreciação – (50.000)
Valor Liquido - 150.000
|
| Período |
Fluxos
Estimados
|
Valor Presente dos
Fluxos
|
| 2009 | 50.700 | 44.087 |
| 2010 | 42.400 | 32.060 |
| 2011 | 35.000 | 23.013 |
| 2012 | 28.300 | 16.181 |
| 2013 | 23.000 | 11.435 |
| TOTAL | 179.400 | 123.776 |
Com base nessas informações, assinale a alternativa correta:
Provas
Questão presente nas seguintes provas
Cadernos
Caderno Container