Foram encontradas 40 questões.
Considere as seguintes afirmativas:
1. Desenergização, bloqueio e sinalização são medidas de controle.
2. Prontuário das instalações elétricas é uma medida de controle.
3. Técnicas de análise de risco é uma medida de controle.
4. Procedimentos de inspeções de ferramentas e instrumentos são medidas de controle.
Assinale a alternativa correta.
Provas
Em relação aos cabos de potência considere se as seguintes afirmativas são verdadeiras(V) ou falsas(F):
( ) O cabo com isolante em EPR (borracha etileno-propileno) apresenta elevada rigidez dielétrica, porém, comparado com o cabo PVC (Cloreto de polivinila), sua rigidez dielétrica é muito inferior.
( ) O cabo EPR é praticamente isento do treeing, fenômeno que consiste na formação de arborescências no material provocando descargas parciais e a consequente deterioração.
( ) O XLPE (Polietileno reticulado) é utilizado em cabos de baixa e média tensão, apresentando dispersão relativamente alta da rigidez dielétrica e também o fenômeno do treeing (com certa frequência), e por isso o seu uso para elevadas tensões exige certos cuidados.
( ) O XLPE e o EPR podem ser considerados materiais propagadores de chama.
Assinale a alternativa que apresenta a sequência correta, de cima para baixo.
Provas
Em relação aos disjuntores, considere as seguintes afirmativas:
1. Os disjuntores promovem a proteção elétrica de um circuito, isto é, de seus condutores, através da detecção de sobrecorrentes e da abertura, sob carga, do circuito.
2. Os disjuntores permitem comandar, através da abertura ou fechamento voluntário, sob carga, circuitos ou equipamentos de utilização. 3. Nos disjuntores a atuação do disparador térmico é geralmente caracterizada por um limiar bastante próximo da corrente nominal ou de ajuste, permitindo detectar sobrecorrentes de pequena intensidade.
4. Nos disjuntores a atuação dos disparadores eletromagnéticos ocorre, em geral, numa faixa de sobrecorrente, cujo limite inferior é maior do que as correntes de sobrecarga usuais e cujo limite superior é igual à capacidade de interrupção do disjuntor.
Assinale a alternativa correta.
Provas
Um escritório está sendo iluminado com luminárias TLDRS 32W e a tabela abaixo apresenta o fator de utilização dessa luminária. Esse escritório apresenta no teto um índice de reflexão de 30%, as paredes são de cor escura com índice de reflexão de 10% e o piso também é escuro, com reflexão de 10%. Os funcionários estão reclamando que o ambiente está muito escuro, o que prejudica o trabalho. O administrador do escritório não quer investir em novas luminárias, mas deseja saber em quanto vai aumentar a iluminância média ao pintar o teto de cor clara com índice de reflexão de 70% e as paredes de cor clara com índice de reflexão de 50%. O fator de área (K) é igual a 1.50 nesse ambiente. A resposta correta é um aumento de:

Provas
Considere um sistema de telefonia analógica e assinale a alternativa correta.
Provas
As figuras abaixo apresentam a corrente eficaz no motor em função da velocidade mecânica, utilizando diferentes técnicas de partida do motor. Com base nas figuras determine quais são as técnicas de partidas utilizadas.

Provas
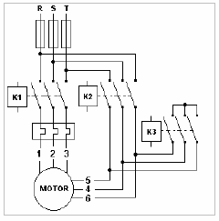
Um motor de indução trifásico possui seis terminais acessíveis e por consequência apresenta duas tensões possíveis de operação 220 V e 380 V. A figura ao lado mostra um circuito para acionamento desse motor composto por três contatores K1, K2 e K3 e alguns dispositivos de proteção. Com base na figura e nas informações apresentadas considere se as seguintes afirmativas são verdadeiras(V) ou falsas(F):

( ) O motor será utilizado numa região onde a tensão de linha do sistema trifásico é de 220 V. Para acionar esse motor com a partida direta, os contatores K1 e K2 devem ser acionados.
( ) O motor será utilizado numa região onde a tensão de linha do sistema trifásico é de 220 V. Para acionar esse motor utilizando a técnica de partida Estrela-Triângulo, os contatores devem ser acionados na seguinte sequência: inicialmente os contatores K1 e K3 devem fechar, depois de transcorrido certo tempo, o contator K3 deve fechar e logo após o fechamento de K3 o contator K2 deve abrir.
( ) O motor será utilizado numa região onde a tensão de linha do sistema trifásico é de 380 V. Para acionar esse motor com a partida direta os contatores K1 e K3 devem ser acionados.
( ) O motor será utilizado numa região onde a tensão de linha do sistema trifásico é de 380 V. Nessa região não é possível utilizar a técnica de partida Estrela-Triângulo para o motor de indução trifásico caracterizado no enunciado.
Assinale a alternativa que apresenta a sequência correta, de cima para baixo.
Provas
Beatriz (Una palabra enorme)
Mario Benedetti
Libertad es una palabra enorme. Por ejemplo, cuando terminan las clases, se dice que una está en libertad. Mientras dura la libertad, una pasea, una juega, una no tiene por qué estudiar. Se dice que un país es libre cuando una mujer cualquiera o un hombre cualquiera hacen lo que se le antoja. Pero hasta los países libres tienen cosas muy prohibidas. Por ejemplo matar. Eso sí, se pueden matar mosquitos y cucarachas, y también vacas para hacer churrascos. Por ejemplo está prohibido robar, aunque no es grave que una se quede con algún vuelto cuando Graciela, que es mi mami, me encarga alguna compra. Por ejemplo está prohibido llegar tarde a la escuela, aunque en ese caso hay que hacer una cartilla mejor dicho la tiene que hacer Graciela, justificando por qué. Así dice la maestra; justificado.
Libertad quiere decir muchas cosas. Por ejemplo, si una no está presa, se dice que está en libertad. Pero mi papá está preso y sin embargo está en Libertad, porque así se llama la cárcel donde está hace ya muchos años. A eso el tío Rolando lo llama qué sarcasmo. Un día le conté a mi amiga Angélica que la cárcel en que está mi papi se llama Libertad y que el tío Rolando había dicho que era un sarcasmo y a mi amiga Angélica le gustó tanto la palabra que cuando su padrino le regaló un perrito le puso de nombre Sarcasmo. Mi papá es un preso, pero no porque haya matado o robado o llegado tarde a la escuela. Graciela dice que papá está en Libertad, o sea está preso, por sus ideas. Parece que mi papá era famoso por sus ideas. Yo también a veces tengo ideas, pero todavía no soy famosa. Por eso no estoy en Libertad, o sea que no estoy presa.
Si yo estuviera presa, me gustaría que dos de mis muñecas, la Toti y la Mónica, fueran también presas políticas. Porque a mí me gusta dormirme abrazada por lo menos a la Toti. A la Mónica no tanto, porque es muy gruñona. Yo nunca le pego, sobre todo para darle ese buen ejemplo a Graciela.
Ella me ha pegado pocas veces, pero cuando lo hace yo quisiera tener muchísima libertad. Cuando me pega o me rezonga yo le digo Ella, porque a ella no le gusta que la llame así. Es claro que tengo que estar muy alunada para llamarle Ella. Si por ejemplo viene mi abuelo y me pregunta dónde está tu madre, y yo le contesto Ella está en la cocina, ya todo el mundo sabe que estoy alunada, porque si no estoy alunada digo solamente Graciela está en la cocina. Mi abuelo siempre dice que yo salí la más alunada de la familia y eso a mí me deja muy contenta. A Graciela tampoco le gusta demasiado que yo la llame Graciela, pero yo la llamo así porque es un nombre lindo. Sólo cuando la quiero muchísimo, cuando la adoro y la beso y la estrujo y ella me dice ay chiquilina no me estrujes así, entonces sí la llamo mamá o mami, y Graciela se conmueve y se pone muy tiernita y me acaricia el pelo, y eso no sería así ni sería bueno si yo le dijera mamá o mami por cualquier pavada.
O sea que la libertad es una palabra enorme. Graciela dice que ser un preso político como mi papá no es ninguna vergüenza. Que casi es un orgullo. ¿Por qué casi? Es orgullo o es vergüenza. ¿Le gustaría que yo dijera que es casi vergüenza? Yo estoy orgullosa, no casi orgullosa, de mi papá, porque tuvo muchísimas ideas, tantas y tantísimas que lo metieron preso por ellas. Yo creo que ahora mi papá seguirá teniendo ideas, tremendas ideas, pero es casi seguro que no se las dice a nadie, porque si las dice, cuando salga de Libertad para vivir en libertad, lo pueden meter otra vez en Libertad. ¿Ven cómo es enorme?
Disponible en: <http://www.loscuentos.net/cuentos/other/2/20/160/>.
Beatriz no le pega a sus muñecas para darle el ejemplo a:
Provas
Beatriz (Una palabra enorme)
Mario Benedetti
Libertad es una palabra enorme. Por ejemplo, cuando terminan las clases, se dice que una está en libertad. Mientras dura la libertad, una pasea, una juega, una no tiene por qué estudiar. Se dice que un país es libre cuando una mujer cualquiera o un hombre cualquiera hacen lo que se le antoja. Pero hasta los países libres tienen cosas muy prohibidas. Por ejemplo matar. Eso sí, se pueden matar mosquitos y cucarachas, y también vacas para hacer churrascos. Por ejemplo está prohibido robar, aunque no es grave que una se quede con algún vuelto cuando Graciela, que es mi mami, me encarga alguna compra. Por ejemplo está prohibido llegar tarde a la escuela, aunque en ese caso hay que hacer una cartilla mejor dicho la tiene que hacer Graciela, justificando por qué. Así dice la maestra; justificado.
Libertad quiere decir muchas cosas. Por ejemplo, si una no está presa, se dice que está en libertad. Pero mi papá está preso y sin embargo está en Libertad, porque así se llama la cárcel donde está hace ya muchos años. A eso el tío Rolando lo llama qué sarcasmo. Un día le conté a mi amiga Angélica que la cárcel en que está mi papi se llama Libertad y que el tío Rolando había dicho que era un sarcasmo y a mi amiga Angélica le gustó tanto la palabra que cuando su padrino le regaló un perrito le puso de nombre Sarcasmo. Mi papá es un preso, pero no porque haya matado o robado o llegado tarde a la escuela. Graciela dice que papá está en Libertad, o sea está preso, por sus ideas. Parece que mi papá era famoso por sus ideas. Yo también a veces tengo ideas, pero todavía no soy famosa. Por eso no estoy en Libertad, o sea que no estoy presa.
Si yo estuviera presa, me gustaría que dos de mis muñecas, la Toti y la Mónica, fueran también presas políticas. Porque a mí me gusta dormirme abrazada por lo menos a la Toti. A la Mónica no tanto, porque es muy gruñona. Yo nunca le pego, sobre todo para darle ese buen ejemplo a Graciela.
Ella me ha pegado pocas veces, pero cuando lo hace yo quisiera tener muchísima libertad. Cuando me pega o me rezonga yo le digo Ella, porque a ella no le gusta que la llame así. Es claro que tengo que estar muy alunada para llamarle Ella. Si por ejemplo viene mi abuelo y me pregunta dónde está tu madre, y yo le contesto Ella está en la cocina, ya todo el mundo sabe que estoy alunada, porque si no estoy alunada digo solamente Graciela está en la cocina. Mi abuelo siempre dice que yo salí la más alunada de la familia y eso a mí me deja muy contenta. A Graciela tampoco le gusta demasiado que yo la llame Graciela, pero yo la llamo así porque es un nombre lindo. Sólo cuando la quiero muchísimo, cuando la adoro y la beso y la estrujo y ella me dice ay chiquilina no me estrujes así, entonces sí la llamo mamá o mami, y Graciela se conmueve y se pone muy tiernita y me acaricia el pelo, y eso no sería así ni sería bueno si yo le dijera mamá o mami por cualquier pavada.
O sea que la libertad es una palabra enorme. Graciela dice que ser un preso político como mi papá no es ninguna vergüenza. Que casi es un orgullo. ¿Por qué casi? Es orgullo o es vergüenza. ¿Le gustaría que yo dijera que es casi vergüenza? Yo estoy orgullosa, no casi orgullosa, de mi papá, porque tuvo muchísimas ideas, tantas y tantísimas que lo metieron preso por ellas. Yo creo que ahora mi papá seguirá teniendo ideas, tremendas ideas, pero es casi seguro que no se las dice a nadie, porque si las dice, cuando salga de Libertad para vivir en libertad, lo pueden meter otra vez en Libertad. ¿Ven cómo es enorme?
Disponible en: <http://www.loscuentos.net/cuentos/other/2/20/160/>.
Lo que hace de Libertad un lugar privado de libertad es que allí uno solo puede:
Provas
Beatriz (Una palabra enorme)
Mario Benedetti
Libertad es una palabra enorme. Por ejemplo, cuando terminan las clases, se dice que una está en libertad. Mientras dura la libertad, una pasea, una juega, una no tiene por qué estudiar. Se dice que un país es libre cuando una mujer cualquiera o un hombre cualquiera hacen lo que se le antoja. Pero hasta los países libres tienen cosas muy prohibidas. Por ejemplo matar. Eso sí, se pueden matar mosquitos y cucarachas, y también vacas para hacer churrascos. Por ejemplo está prohibido robar, aunque no es grave que una se quede con algún vuelto cuando Graciela, que es mi mami, me encarga alguna compra. Por ejemplo está prohibido llegar tarde a la escuela, aunque en ese caso hay que hacer una cartilla mejor dicho la tiene que hacer Graciela, justificando por qué. Así dice la maestra; justificado.
Libertad quiere decir muchas cosas. Por ejemplo, si una no está presa, se dice que está en libertad. Pero mi papá está preso y sin embargo está en Libertad, porque así se llama la cárcel donde está hace ya muchos años. A eso el tío Rolando lo llama qué sarcasmo. Un día le conté a mi amiga Angélica que la cárcel en que está mi papi se llama Libertad y que el tío Rolando había dicho que era un sarcasmo y a mi amiga Angélica le gustó tanto la palabra que cuando su padrino le regaló un perrito le puso de nombre Sarcasmo. Mi papá es un preso, pero no porque haya matado o robado o llegado tarde a la escuela. Graciela dice que papá está en Libertad, o sea está preso, por sus ideas. Parece que mi papá era famoso por sus ideas. Yo también a veces tengo ideas, pero todavía no soy famosa. Por eso no estoy en Libertad, o sea que no estoy presa.
Si yo estuviera presa, me gustaría que dos de mis muñecas, la Toti y la Mónica, fueran también presas políticas. Porque a mí me gusta dormirme abrazada por lo menos a la Toti. A la Mónica no tanto, porque es muy gruñona. Yo nunca le pego, sobre todo para darle ese buen ejemplo a Graciela.
Ella me ha pegado pocas veces, pero cuando lo hace yo quisiera tener muchísima libertad. Cuando me pega o me rezonga yo le digo Ella, porque a ella no le gusta que la llame así. Es claro que tengo que estar muy alunada para llamarle Ella. Si por ejemplo viene mi abuelo y me pregunta dónde está tu madre, y yo le contesto Ella está en la cocina, ya todo el mundo sabe que estoy alunada, porque si no estoy alunada digo solamente Graciela está en la cocina. Mi abuelo siempre dice que yo salí la más alunada de la familia y eso a mí me deja muy contenta. A Graciela tampoco le gusta demasiado que yo la llame Graciela, pero yo la llamo así porque es un nombre lindo. Sólo cuando la quiero muchísimo, cuando la adoro y la beso y la estrujo y ella me dice ay chiquilina no me estrujes así, entonces sí la llamo mamá o mami, y Graciela se conmueve y se pone muy tiernita y me acaricia el pelo, y eso no sería así ni sería bueno si yo le dijera mamá o mami por cualquier pavada.
O sea que la libertad es una palabra enorme. Graciela dice que ser un preso político como mi papá no es ninguna vergüenza. Que casi es un orgullo. ¿Por qué casi? Es orgullo o es vergüenza. ¿Le gustaría que yo dijera que es casi vergüenza? Yo estoy orgullosa, no casi orgullosa, de mi papá, porque tuvo muchísimas ideas, tantas y tantísimas que lo metieron preso por ellas. Yo creo que ahora mi papá seguirá teniendo ideas, tremendas ideas, pero es casi seguro que no se las dice a nadie, porque si las dice, cuando salga de Libertad para vivir en libertad, lo pueden meter otra vez en Libertad. ¿Ven cómo es enorme?
Disponible en: <http://www.loscuentos.net/cuentos/other/2/20/160/>.
Lo que le hace a Beatriz enorgullecerse de la condición de preso político de su padre es:
Provas
Caderno Container