Foram encontradas 8.108 questões.
Dos cinco símbolos apresentados a seguir, o único que NÃO está previsto na NBR 5444:1989 (símbolos gráficos para instalações elétricas prediais) para representar algum tipo de transformador é:
Provas

Um técnico de manutenção despeja 1 ft3 de óleo da câmara de expansão de um transformador dentro do recipiente com as dimensões mostradas na figura acima. A fração aproximada do volume do recipiente que será ocupada pelo óleo é:
Provas
Deseja-se medir o comprimento aproximado de um fio condutor cuja área da seção transversal é 6 mm2, dispondo somente de um ohmímetro. Sabe-se que a resistência medida entre as duas extremidades do condutor é de 0,2 Ω e que a resistividade do material condutor é de 20x10-6 Ω.mm, nas condições de temperatura e isolamento em que se encontra. O comprimento, em metros, do condutor é:
Provas
O projeto para iluminação de um ambiente com pé-direito de 3,5 m exige um iluminamento de, pelo menos, 100 lux, utiizando uma quantidade mínima de luminárias. A luminária mais indicada para esse ambiente, de acordo com as respectivas curvas (na mesma escala) de distribuição luminosa, é:
Provas
Um Controlador Lógico Programável (CLP) é constituído, basicamente, por uma entrada e uma saída de dados (ambas acompanhadas das respectivas interfaces), dispositivos de memória e uma Unidade Central de Processamento (UCP). O programa do usuário, que implementa uma lógica de acionamento previamente estabelecida, é armazenado num dos dispositivos de memória. O princípio fundamental de funcionamento do CLP é a execução, por parte da UCP, do ciclo de varredura, que consiste na realização repetitiva de três tarefas. Embora estas tarefas possam variar ligeiramente em função da aplicação, em geral, são:
Provas
Observe a figura a sequir.

A figura ilustra um circuito contendo 10 flip-flops J-K encadeados e o gráfico do sinal VIN(t), cujo período T é de 0,01 ms. A tensão de +5V corresponde ao nível lógico 1 e a tensão de 0V, ao nível lógico 0. O período, em ms, do sinal VO(t) é, aproximadamente
Provas
Consedere a figura e os dados a sequir.

Sabendo que o chip 74169 é um contador crescente-decrescente, quantos estados terá a seqüência permanente do circuito acima, que será sempre repetida?
Provas

I - Quando as entradas A e B forem iguais a +5 V, o transistor Q1 estará cortado.
II - O transistor Q4 é útil para permitir a drenagem de corrente pela saída S quando existir uma carga resistiva conectada entre S e terra.
III - Quando as entradas A e B forem iguais a +2,8 V, o transistor Q3 estará em saturação.
A(s) afirmativa(s) correta(s) é(são):
Provas
A função
ao ser minimizada em termos de soma de produtos, pode ser implementada, sem contar as portas inversoras utilizadas, com:
Provas
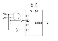
Observe a fiqura a sequir:

A figura acima ilustra um multiplexador de 4 entradas e 1 saída, onde S1 é o bit mais significativo do sinal de controle. O Mapa de Karnaugh que corresponde ao sinal lógico Y é:
Provas
Caderno Container