Foram encontradas 8.108 questões.
Sobre o emprego do Transistor Bipolar de Junção (TBJ) - tipo NPN, na configuração de amplificador de tensão conhecido como Seguidor de Emissor, com resistência no emissor, considere as seguintes afirmativas:
I - o ganho de tensão é aproximadamente igual a um;
II - a tensão de saída é defasada de 180º da de entrada;
III - permite que o amplificador tenha alta impedância de entrada e baixa na saída.
A(s) afirmativa(s) correta(s) é(são):
Provas
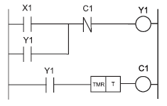
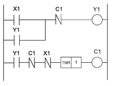
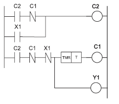
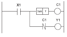
A figura abaixo caracteriza uma instrução em diagramas de contato para um determinado CLP de um temporizador com retardo de ligação.

Considerando que C1 e C2 são variáveis binárias auxiliares do CLP, o trecho de programa, em diagrama de contatos, que implementa a função de temporizador por tempo fixo após o desligamento, também ilustrada na figura, é:
Provas
A vara de manobra é uma ferramenta utilizada, entre outras aplicações, para abertura de chaves facas e chaves fusíveis. Antes de sua utilização, é indispensável que o operador verifique se:
I - o sistema elétrico está sem energia;
II - a isolação da vara é compatível com a tensão do sistema elétrico;
III - existem transformadores de força ligados ao sistema elétrico.
Está(ão) correta(s) a(s) afirmativa(s):
Provas
Um consumidor comercial tem como modalidade tarifária a horossazonal azul. Sua curva de carga apresenta, na primeira hora do horário de ponta (HP), uma demanda menor do que a do horário fora de ponta (HFP) e três vezes maior que o restante do horário de ponta. Sabe-se que a demanda contratada no HP está bem dimensionada, e que o término do expediente desse consumidor se dá, exatamente, ao final da primeira hora do HP. Para diminuir os custos com a demanda, deve-se:
I - recontratar a demanda, junto à concessionária, para um valor menor;
II - adiantar o período de expediente em uma hora;
III - adiantar o horário de expediente e diminuir a demanda contratada para um valor menor.
É(São) correto(s) o(s) item(ns):
Provas
Um consumidor adota uma lâmpada fluorescente compacta de 25 W em substituição a uma lâmpada incandescente de 100 W em um determinado ponto de luz, mantendo iluminância equivalente. O kWh cobrado pela concessionária local é de R$ 0,25 (vinte e cinco centavos). A lâmpada incandescente custa R$ 2,00 e tem uma vida útil de 2 meses e a lâmpada fluorescente custa R$ 20,00, com uma vida útil de 12 meses. Sendo de 8 horas diárias o regime de funcionamento deste ponto de luz e considerando os meses com 30 dias, em um período de 12 meses de uso da lâmpada fluorescente, o consumidor economizará:
Provas
A respeito da geração e da distribuição da energia elétrica, é correto afirmar que a:
Provas

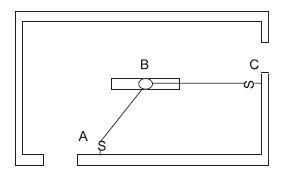
Verifica-se no esquema acima a presença de dois interruptores (pontos A e C) do tipo paralelo (three way), uma luminária (ponto B) e as linhas que ligam esses materiais. Para que seja possível o comando da luminária por meio desses interruptores, é necessário que os fios que passam entre os pontos A e B e entre B e C, respectivamente, sejam:
Provas
Provas
A tensão no primário de um transformador abaixador do tipo Delta-Estrela é de 13.000 volts e a relação de espiras entre os enrolamentos primários e secundários é 25. A tensão de linha no secundário desse transformador, em volts, é:
Provas
Dentre os esquemas de aterramentos adotados nas instalações elétricas em baixa tensão e normatizados pela ABNT, aquele cuja utilização do dispositivo a corrente diferencial (DR) é indispensável na proteção contra contatos indiretos é o:
Provas
Caderno Container