Foram encontradas 8.108 questões.
Uma das características técnicas que devem ser especificadas para a aquisição de um dispositivo de proteção é a capacidade de interrupção de corrente. Dentre os dispositivos representados pelos símbolos a seguir, aquele que NÃO necessita deste tipo de especificação é:
Provas

figura acima ilustra um experimento com um circuito elétrico linear realizado em laboratório. A resposta em freqüência do circuito é conhecida e encontra-se também na figura. Na entrada do circuito, conecta-se um gerador de tensão senoidal, que fornece a tensão VE. Utilizando-se um osciloscópio com dois canais, coloca-se o terminal positivo da ponta de prova do canal A em 1 e o negativo em 2. Analogamente, coloca-se o terminal positivo da ponta de prova do canal B em 3 e o negativo em 4. Ajustando o osciloscópio na opção X-Y (sinal do canal A no eixo X e do canal B no eixo Y) e as escalas de amplitude dos sinais de modo que suas excursões picoa- pico sejam exatamente iguais, observa-se que a imagem na tela do osciloscópio tem o formato de uma circunferência. Nesse caso, a freqüência do sinal de tensão senoidal deve ser, em rad/s, aproximadamente:
Provas
A figura abaixo mostra o uso de um galvanômetro G de bobina móvel de 100
de fundo de escala e 100 de resistência interna, alimentado por uma pilha de 1,5 V e usado para configurar um ohmímetro série.

O valor de Rp no potenciômetro é calculado para fazer o ajuste zero da escala. Os valores de Rx foram calculados de forma a estabelecer as marcações A, B e C da escala do ohmímetro que estão espaçadas em ¼ da corrente de fundo de escala. Os valores de resistência a serem gravados nos pontos A, B e C da escala, respectivamente, em k , são:
Provas

O sistema trifásico mostrado na figura acima é composto por uma fonte simétrica ligada a três fios (neutro da fonte desconectado do neutro da carga) com uma carga desequilibrada. Considere as seguintes afirmativas sobre esse sistema:
I – o somatório das correntes no ponto N' é igual a zero;
II – a ddp entre N e N' é diferente de zero;
III – a ddp entre N e N' é igual a zero.
É (São) correta(s), apenas, a(s) afirmativa(s):
Provas

A figura acima ilustra um circuito elétrico alimentado por uma fonte de tensão senoidal v(t) = 5 sen(200t) em volt. A amplitude em regime permanente do sinal Vs(t), em volt, aproximadamente, é:
Provas
Através do levantamento dos parâmetros de um transformador de distribuição de 100 kVA, pelos ensaios de curto-circuito e circuito aberto, determinaram-se suas perdas totais em 800 W para a condição de carregamento nominal. O rendimento do transformador para carga nominal com fator de potência 0,8 indutivo é de:
Provas
Observe os dispositivos e os simbolos na tabela abaixo.

A associação correta do símbolo com o número do dispositivo, na seqüência de cima para baixo, é:
Provas

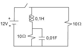
O circuito da figura acima é uma estrutura RLC alimentada por uma fonte de tensão contínua e uma chave de acionamento. No instante em que a chave fecha (t=0), o capacitor e o indutor estão desenergizados. Os valores, em A, das correntes elétricas fornecidas pela fonte em t=0 e quando o circuito atinge o regime permanente, respectivamente, são:
Provas
O sensor de efeito Hall é um dispositivo semicondutor bastante utilizado em aplicações práticas, como sistemas de alarme de lojas e velocímetros digitais de bicicletas. Com relação aos sensores de efeito Hall, é correto afirmar que:
Provas
Com relação ao processo ensino-aprendizagem de eletrônica, julgue os itens que se seguem.
Em cursos técnicos de eletrônica, não é recomendável desenvolver com os alunos práticas relacionadas a projetos eletrônicos originais, pois o trabalho do técnico restringe-se a montagem e manutenção de circuitos, tarefas que não dependem de processos criativos. A realização de projetos originais, em geral, desmotiva o estudante de escola técnica, cuja formação não está voltada para a realização de projetos dessa natureza.
Provas
Caderno Container