Foram encontradas 8.108 questões.

Avanços tecnológicos na área de microeletrônica permitem o desenvolvimento de redes de sensores sem fio cujos nós são cada vez menores e com maior capacidade de processamento. A figura acima ilustra um diagrama simplificado de um nó sensor que opera em tempo real. O sinal presente na saída do sensor, x(t), representa uma forma de onda digital na taxa de 10 kbaud (amostras/s). Esse sinal passa por um processamento digital implementado em DSP que realiza 5000 multiplicações por amostra. Considerando-se que esse processamento deve consumir, no máximo, 80% da capacidade de processamento do DSP, o requisito mínimo do DSP, em termos de MMPS (milhões de multiplicações por segundo), é:
Provas

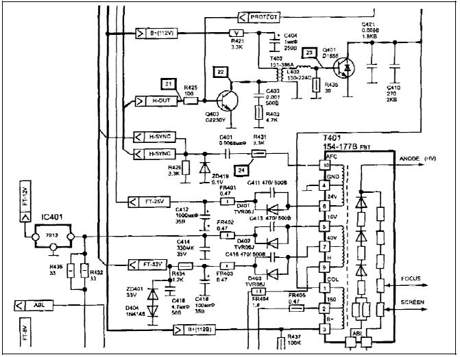
Entre os defeitos mais comuns nos receptores de TV, o circuito de saída horizontal está, sem dúvida, entre os estágios que apresentam maior incidência de falhas. A constatação de um defeito na saída horizontal de qualquer equipamento merece cuidadosa atenção por parte do técnico de manutenção. A substituição de apenas um componente danificado nem sempre leva à solução definitiva do problema. A figura acima ilustra parte do diagrama esquemático de um televisor. Em cada item a seguir, é apresentada uma situação que tem por referência o diagrama mostrado. Julgue como certo o item que apresenta situação que pode levar o transistor de saída horizontal (Q401) a entrar em curto-circuito e como errado o item que não apresenta tal situação.
O sinal de excitação na base de Q401 é insuficiente.
Provas
A Conta Consumo de Combustíveis (CCC) surgiu com o objetivo de subsidiar os custos com combustíveis fósseis para a geração termelétrica descentralizada nas regiões eletricamente isoladas. A Resolução 245 da ANEEL prevê a utilização desses recursos nos empreendimentos de geração elétrica que venham a substituir total ou parcialmente a geração termelétrica que utilize os derivados de petróleo. As Pequenas Centrais Hidrelétricas (PCH) podem utilizar os recursos dessa conta, desde que os aproveitamentos hidrelétricos tenham potência:
| Superior |
igual ou inferior a (mantendo-se |
Provas
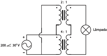
A vida, ou seja, a duração em horas de uma lâmpada incandescente de 25 volts é dada pela expressão
\( Vida=400{\begin{pmatrix}{V_{nominal}\over V_{aplicada}}\end{pmatrix}}^3\,\,\,\,\,\,\,\,\,\,\,\,\,\,[horas] \)
Assinale a alternativa que dá o valor da vida em horas da lâmpada de 25 volts que está instalada no circuito abaixo.

Provas
- EletrônicaComponentes Eletrônicos em Eletroeletrônica
- EletrônicaEquipamentos Elétricos em Eletroeletrônica
Provas
Provas
- EletrônicaComponentes Eletrônicos em Eletroeletrônica
- EletrônicaEquipamentos Elétricos em Eletroeletrônica
Provas
Provas
Provas
Provas
Caderno Container