Foram encontradas 13.241 questões.
Texto para a questão.

D. A.Skoog D. A et al. Fundamentos de química analítica.
Marco Grassi (Trad.) Célio Pasquini (revisão técnica). São Paulo: Cengage Learning, 2008.
A figura acima apresenta a reação de redução do ácido pícrico.
Uma aplicação clássica da titulação coulométrica a potencial constante é a redução do ácido pícrico (trinitrofenol). Acerca dessa aplicação, assinale a opção correta.
Provas
Figuras para a questão.

Holler F James. Princípios de análise instrumental. (Trad.) Célio
Pasquini (Coord.). Jarbas José Rodrigues Rohwedder et al. 6.ª ed. Porto Alegre: Bookman, 2009 (com adaptações).

A figura I acima representa o circuito elétrico utilizado para realizar análises coulométricas e as figuras II e III mostram o comportamento da corrente durante processos eletrolíticos.
Considerando a figura III, assinale a opção correta.
Provas
Figuras para a questão.

Holler F James. Princípios de análise instrumental. (Trad.) Célio
Pasquini (Coord.). Jarbas José Rodrigues Rohwedder et al. 6.ª ed. Porto Alegre: Bookman, 2009 (com adaptações).

A figura I acima representa o circuito elétrico utilizado para realizar análises coulométricas e as figuras II e III mostram o comportamento da corrente durante processos eletrolíticos.
Com referência às figuras apresentadas e à titulação coulométrica, assinale a opção correta.
Provas
Uma planta industrial possui em suas instalações um reator exotérmico que trabalha em regime de batelada alimentada. Para auxiliar no controle e acompanhamento do processo, esse reator foi equipado com um medidor de temperatura, um medidor de nível e um medidor de pressão. Sabendo-se que o medidor de temperatura é um Pt100, cuja faixa varia de −200 ºC a 850 ºC, e que esse sinal foi acoplado a um transmissor do tipo 4 a 20mA, calibrado para trabalhar entre 0 e 400 ºC, qual será a temperatura medida quando o transmissor gerar 9mA?
Provas
Durante uma rigorosa inspeção decorrente de um procedimento de manutenção preventiva da instrumentação existente em uma refinaria, a equipe de manutenção detectou problemas em um transmissor de vazão, instalado em uma linha de refrigeração, responsável pelo controle de temperatura do condensador lateral de uma coluna de destilação. Após a retirada e calibração do novo transmissor, foi fornecida uma folha de especificação do mesmo, cujas principais informações estão apresentadas na tabela abaixo.
|
Sinal de Saída |
4 a 20 mA |
|
Range de calibração |
0 a 32 l/h |
|
Fluido |
Água |
Qual é o ganho deste transmissor?
Provas

Um engenheiro responsável pelo acompanhamento da instalação da instrumentação em uma planta de produção de biodiesel, recebeu um diagrama P&I conforme apresentado no desenho acima. Sabendo-se que a identificação das principais características das malhas de controle pode ser feita através da análise da terminologia e simbologia adotadas para cada equipamento, a malha representada no fluxograma de processo é uma
Provas
Uma válvula de controle com atuador pneumático de ação reversa (ar para fechar) foi instalada na linha de saída de vapor de uma caldeira para controlar a vazão de consumo, auxiliando na manutenção dos limites de pressurização dessa caldeira. Ao submeter o atuador correspondente a uma pressão de 12 psi, qual o percentual de abertura da válvula?
Provas
Um tanque esférico é utilizado para armazenamento de gás natural. Ele está equipado com um transmissor de temperatura, que apresenta um visor de indicação local para acompanhamento do operador, e com um transmissor de pressão, instalado na parte superior do tanque. Considerando que ambos os instrumentos disponibilizam um sinal para a estação de supervisão de processos, localizada na sala de controle, qual a sequência correta das letras de identificação apresentada no diagrama P&I, respectivamente, para estes instrumentos?
Provas
Seja um tanque de acúmulo de líquido com densidade constante. O tanque é cilíndrico, com área da seção transversal (A) constante. Esse tanque tem uma corrente de entrada e outra de saída, com vazões volumétricas, Fin e Fout, respectivamente. A vazão de entrada Fin está sujeita a distúrbios, de modo que para controlar o nível de líquido h(t), Fout é manipulada através de uma válvula ar-para-abrir.
Considere:
- função de transferência da válvula, com dinâmica desprezível (Gf = Kf; Kf > 0);
- função de transferência do elemento de medida, com dinâmica desprezível (Gm = Km; Km > 0).
Para um dado ajuste de controlador P, com ação direta (Gc = -Kc, tal que Kc > 0, Kc finito), afirma-se que, para degraus no set-point e em Fin, será(ão) observado(s) na variável controlada
Provas
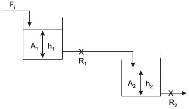
Um líquido, com densidade constante, escoa, a temperatura constante, através de 2 tanques em série, cilíndricos, com áreas das seções (A1 e A2) constantes. As válvulas existentes nas saídas de cada tanque são lineares com resistências (R1 > 0 e R2 > 0) e A1R1 = A2R2, conforme mostra a figura abaixo.

Se for obtida a função de transferência !$ \text{G(s)} = \dfrac {\text{h}_2 \text{(s)}} {\text{F}_{\text{i}}\text{(s)}} !$, entre as variáveis em forma de desvio, conclui-se que os polos de G(s) são
Provas
Caderno Container