Foram encontradas 60 questões.
Associe as duas colunas relacionando partes de um computador eletrônico às suas respectivas características.
PARTES DE UM COMPUTADOR ELETRÔNICO
(1) CPU
(2) Memória
(3) Barramento
(4) Entrada e saída
CARACTERÍSTICAS
( ) Dispositivo de armazenamento de dados binários.
( ) Caminho pelo qual o computador recebe informações e fornece informações para o seu ambiente externo.
( ) Conjunto de linhas de comunicação que interliga diversos componentes de um computador.
( ) Onde ocorre a execução das instruções.
A sequência correta dessa associação é:
Provas
Qual é a representação correta do número 93 (noventa e três) do sistema decimal no sistema binário (base 2) e no código binário BCD?
Provas
– Deve ter sim. Por quê? – respondeu o pai, distraído.
– Porque quando eu morrer quero levar um queijo(B) para Deus.
Provas
Provas
Provas
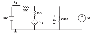
A interconexão de elementos de circuito muitas vezes é utilizada para modelar sistemas, visando uma melhor compreensão das dinâmicas de operação relacionadas a esses sistemas. Em outros casos, os circuitos elétricos são implementados com elementos de circuito discretos, sendo nesse caso mais comumente chamados circuitos eletrônicos. Qualquer que seja o caso, é importante ser capaz de determinar os valores das grandezas elétricas nos circuitos.
Para isso, diversas técnicas podem ser aplicadas.

Fonte: Arquivo da Banca Elaboradora.
Qual é o valor da tensão v0 e o valor da potência absorvida pela fonte dependente (Pf d). Vale lembrar que a convenção passiva de sinais (ou convenção do sinal passivo) deve ser considerada.
Provas
Provas
Labão, pai de Raquel, serrana bela;
Mas não servia ao pai, servia a ela,
E a ela só por prêmio pretendia.
Passava, contentando-se com vê-la;
Porém o pai, usando de cautela,
Em lugar de Raquel lhe dava Lia.
Lhe fora assim negada a sua pastora,
Como se a não tivera merecida,
Dizendo: – Mais servira, se não fora
Para tão longo amor tão curta a vida!
Que pastorava o gado de Labão.
Pai da linda Raqué; por ele, não:
Mais, por ela que em paga lhe cabia.
Se alegrava de vê seu coração.
E aconteceu que o pai, espertaião,
Ruendo a corda, lhe entregô a Lia.
E deu, de boa-fé a boca doce,
Pela troca da prenda prometida,
Falando: Isto era nada, se num fosse
Pra tanto bemquerê tão poca a vida.
(2) “ruendo a corda” ( ) confiança.
(3) “boa-fé” ( ) ansiedade
(4) “bemquerê” ( ) afeição.
Provas
Provas
(2) retenções ( ) objeto direto
(3) motoristas ( ) predicativo
(4) irritados ( ) adjunto adverbial
(5) na deles ( ) adjunto adnominal
Provas
Caderno Container