Foram encontradas 60 questões.
Provas
Leia o texto a seguir.
Naquele momento da reunião, ponderei:
“Sou eu mesma. E você eu conheço do Centro de Instruções, certo?”
Ela me olhou interrogativa (forcejando para ser alegre).
Fonte: Arquivo da Banca Elaboradora.
Além da estrutura sintática, a pontuação indica vários outros aspectos presentes no texto e que podem ser assim explicados e exemplificados:
I. Os parênteses exemplificam uma indicação cênica.
II. As aspas ressaltam o valor significativo das frases.
III. A vírgula, na primeira frase, está isolando um adjunto adverbial.
IV. A vírgula antes de “certo?” isola uma expressão de caráter fático.
V. Os dois pontos indicam que o sentido vai além do que foi expresso.
Está correto apenas o que se afirma em
Provas
No circuito abaixo, a chave ficou fechada por um longo período de tempo, suficiente para se ter atingindo o regime permante. Em um determinado instante (t = 0) a chave é aberta. Na análise do período transitório de descarga, foi constatado que as raízes da equação característica do circuito são iguais a -2 e -3.

Fonte: Arquivo da Banca Elaboradora.
Considerando a figura acima e as informações dadas, qual é a equação que modela a resposta do circuito para a tensão, nos elementos em paralelo, a partir do momento em que chave é aberta?
Provas
Provas
Um osciloscópio utiliza uma ponta de prova de atenuação que foi projetada para reduzir a tensão de entrada v1 por um fator 10. A figura abaixo mostra o circuito que modela a ponta de prova e a impedância de entrada do osciloscópio. No arranjo, Rp é a resistência interna da ponta de prova, Rosc é a resistência interna do osciloscópio e Cosc é a capacitância interna do osciloscópio. A resistência Rosc é de (2⁄3)MΩ. Para uma melhor operação do sistema, o carregamento do capacitor deve ocorrer em 75μs. Para fins de projeto, esse tempo corresponde a 5 constantes de tempo.
Calcule os valores da resistência da ponta de prova (Rp ) e da capacitância (Cosc ).

Fonte: Arquivo da Banca Elaboradora.
Marque a alternativa com a resposta correta.
Provas
Observe os teoremas de Booleanos e teoremas de Morgan na expressão lógica z descrita abaixo.
!$ z = \overline{ ( A + \overline{B} C). ( \overline{D} + EF)} !$
Sobre a fórmula, é correto afirmar que:
Provas
Provas
A arquitetura de co m putadores, denominada como CISC, foi a primeira a surgir impulsionada pelos conceitos de microprogramação e microcódigos e permitiu a evolução rápida dos sistemas de computador e das linguagens de programação. A arquitetura RISC foi planejada visando melhorar alguns pontos negativos que a arquitetura CISC possui. Assim sendo, é correto afirmar que a arquitetura RISC é caracterizada por instruções com modo de endereçamento para
Provas
Provas
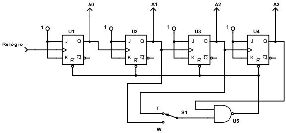
Abaixo temos um contador digital implementado com 4 (quatro) flip-flops tipo JK.

Fonte: Arquivo da Banca Elaboradora.
Informe se é verdadeiro (V) ou falso (F) o que se afirma abaixo sobre o contador digital.
( ) É um contador modo 16.
( ) Quando a chave S1 está no posição T (tal como na figura), é um contador modo 13.
( ) Quando a chave S1 está no posição W (posição outra do que a da figura) é um contador modo 10.
( ) Além dos estados firmes que definem o modo do contador, esse contador apesenta um estado de transição.
Marque a alternativa com a sequência correta.
Provas
Caderno Container