Foram encontradas 100 questões.
Leia:
“Viramundo estranhamente se recusava a comer. Afastara-se e contemplava em silêncio a paisagem. Havia nela algo vagamente familiar”.
Os advérbios destacados acima indicam, respectivamente, as circunstâncias de
Provas
Questão presente nas seguintes provas
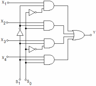
No circuito abaixo, determine a saída Y, para S1 = 1 e S0 = 0.

Provas
Questão presente nas seguintes provas
Determine a resistência total do circuito abaixo:

Provas
Questão presente nas seguintes provas
Em qual alternativa não é possível identificar se o ser ao qual o substantivo em destaque se refere é masculino ou feminino?
Provas
Questão presente nas seguintes provas
“Um grupo de bits (células) de uma memória que apresenta instruções ou dados de algum tipo.”
O texto acima apresenta a definição de
Provas
Questão presente nas seguintes provas
Com base no circuito, marque V (verdadeiro) ou F (falso) e, em seguida, assinale a alternativa que contém a sequência correta.
Dado: quando o diodo conduz, VD = 0,7V.

( ) Em estado estacionário, a energia armazenada no campo elétrico do indutor de 2H é 4 joules.
( ) De acordo com a Lei de Faraday, a tensão induzida entre os terminais do indutor de 2H, com o circuito em estado estacionário, é nula.
( ) Após substituição da fonte de tensão de 10,7V por outra v(t), onde v(t)=10,7.cos(377.t) Volts, o valor da energia armazenada no indutor permanece 4 joules.
( ) Ao substituir a fonte de tensão de 10,7V por outra v(t), onde v(t)=10,7.cos(377.t) Volts, o indutor não apresentará tensão induzida entre seus terminais porque o diodo conduzirá apenas durante os semiciclos positivos.
Provas
Questão presente nas seguintes provas
A conjunção subordinativa em destaque estabelece que tipo de relação de sentido entre as orações por ela conectadas?
Como as organizações ambientalistas têm denunciado, os países industrializados são os que mais poluem o meio ambiente.
Provas
Questão presente nas seguintes provas
Com base no circuito abaixo, marque V (verdadeiro) ou F (falso) e, em seguida, assinale a alternativa que contém a sequência correta.
Dado: O circuito é ideal e XL é diferente de XC.
( ) Se Vs é uma fonte de tensão contínua, a corrente que circula pelo circuito, em estado estacionário, é limitada apenas pelo resistor R.
( ) Se Vs é uma fonte de tensão alternada, pode-se afirmar que o circuito é capacitivo.
( ) Se Vs é uma fonte de tensão alternada e o resistor R entra em curto circuito, a corrente no indutor adiantar-se-á de 180º em relação à corrente no capacitor, para um referencial comum.
Provas
Questão presente nas seguintes provas
Assinale a alternativa em que o verbo está na voz passiva analítica.
Provas
Questão presente nas seguintes provas
A conjunção coordenativa em destaque está corretamente classificada em
Provas
Questão presente nas seguintes provas
Cadernos
Caderno Container