Foram encontradas 60 questões.
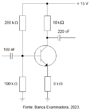
O estágio amplificador mostrado na figura abaixo usa um transistor operando com !$ \beta = 100 !$ e Vbe = 0,7 V.

Considerando as informações e estágio amplificador da figura acima, o valor da corrente de coletor em estado quiescente é:
Provas
Considere para o sistema de controle mostrado abaixo, !$ G_1(s) = { \large 10(s+5) \over s} \ e \ G_2(s) = { \large 1 \over (s+2)(s+3)} !$.

Qual é a função de transferência do sistema?
Provas
O sistema mostrado abaixo pode ser usado para condicionar a saída de um transdutor de processos industriais.

Com base no sistema da figura acima, usando componentes ideiais, a expressão de Vo como uma função de Vs é
Provas
No circuito RL ligado conforme mostrado abaixo, R = 3 !$ \Omega !$, Rbobina = 2 !$ \Omega !$ e L = 65 mH.

Com base nos dados e no circuito da figura acima, desprezando as perdas adicionais, a corrente circulante, a potência transformada em calor e a potência reativa exigida pelo circuito são
Provas
No circuito regulador de tensão mostrado abaixo, a tensão de entrada Ve varia entre 15 V e 20 V. O diodo é o tipo 1N4733A, cujas características principais obtidas na folha de especificações do fabricante estão indicadas.
Diodo Zener: 1N4733A
Vzener = 5,1 V !$ \pm !$ 5%, e Rdinâmica = 7!$ \Omega !$
para Izener = 50 mA
PD = 1 W

Com base nas informações e no circuito da figura acima, o valor do resistor R para corrente máxima no diodo de 50 mA e a regulação da tensão de saída Vs em valor percentual, ao longo da faixa de tensão de entrada, devem ser, respectivamente
Provas
O circuito abaixo usa um amplificador operacional ideal, onde RF = 2R.

Com base nas informações e no circuito da figura acima, sendo Va = 8 V e Vb = 9 V, as amplitudes do sinal de saída Vs e do sinal em Vc são, respectivamente
Provas
O circuito retificador de CC mostrado abaixo usa fonte CA senoidal e diodo ideais. A tensão desejada na carga é de 9 V.

Com base nas informações e no circuito da figura acima, a tensão eficaz que deve ser fornecida pela fonte é
Provas
Leia o período a seguir.
O trabalho não só traz alegria, como também prosperidade.
Considerando o período analisado, é correto afirmar que a conjunção apresentada é
Provas
Assinale a opção em que a oração sublinhada foi classificada incorretamente.
Provas
Leia a tira a seguir.

A partir da análise da tira, é correto afirmar que:
Provas
Caderno Container