Foram encontradas 40 questões.
Uma turbina eólica com 3 pás rotativas de 10m de comprimento cada uma, e um diâmetro de varredura de 20m, está situada em um parque eólico que possui uma densidade do ar do vento de δ = 1 kg/m³ para um vento de 10m/s. Calcule a potência disponível a partir do vento (Pvento).
Provas
A forma mais comumente utilizada no mundo todo para geração, transmissão e distribuição de energia elétrica é a trifásica. A tensão trifásica equilibrada tem uma defasagem de 120º elétricos. A eficiência de máquinas elétricas é aumentada quando se trabalha com sistemas trifásicos devido a um melhor aproveitamento energético.
No circuito trifásico, em sequência positiva, mostrado a seguir, a tensão de linha, Vl = 250 Volts (eficaz). A potência trifásica dissipada pela carga é de 1500 Watts com um fator de potência 0,8 (atrasado). A corrente de linha, Il (eficaz) será:

Provas
Seja a função de transferência para um determinado compensador dada por:
C(s) = (s + 2)/(s + 8)
A resposta em frequência deste compensador pode ser observada no diagrama a seguir:

Considerando o modelo C(s) apresentado, assinale a alternativa CORRETA:
Provas
Que tipo de circuito temos representado abaixo?

Provas
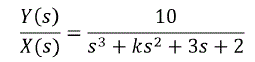
Considerando o sistema de controle de malha fechada abaixo. (Dado a função de transferência para um sistema de controle em malha fechada)

Assinale a alternativa que apresenta o(s) valor(es) de k que garante a estabilidade do sistema.
Provas
- Educação e FilosofiaPensamento Pedagógico Brasileiro
- Temas Educacionais PedagógicosTendências Pedagógicas
Demerval Saviani descreve onze teses sobre educação e política em sua obra Escola e Democracia, mostrando como se configuram as relações entre educação e política e evidenciando que “toda prática educativa, como tal, possui uma dimensão política assim como toda prática política possui, em si mesma, uma dimensão educativa.”
Assinale a alternativa que apresenta corretamente a definição sobre a dimensão política da educação presente na obra referida acima:
Provas
Ao caracterizar a relação entre educação e sociedade para as teorias não-críticas, Saviani (2018, p. 4) afirma que concebem “a educação com uma ampla margem de autonomia em face da sociedade”, cabendo-lhe “um papel decisivo na conformação da sociedade evitando sua desagregação e, mais do que isso, garantindo a construção de uma sociedade igualitária”.
Assinale a alternativa que apresenta corretamente as pedagogias que Saviani (2018) define como teorias não-críticas.
Provas
- Educação e FilosofiaPensamento Pedagógico Brasileiro
- Temas Educacionais PedagógicosTendências Pedagógicas
Provas
Provas
No livro Documentos de Identidade: uma introdução às teorias do currículo, Tomaz Tadeu da Silva, argumenta que um currículo crítico inspirado nas teorias sociais que questionam a construção social da raça e da etnia também evitariam tratar a questão do racismo de uma forma simplista. Para o autor, o racismo não poderia ser tratado simplesmente como uma questão de preconceito individual, pois isso geraria uma pedagogia e um currículo centrados numa simples “terapêutica” de atitudes individuais consideradas erradas.
Considerando tais argumentações, uma unidade educacional que estivesse diante de uma situação de racismo praticada entre estudantes, estaria alinhada corretamente com os pensamentos do teórico, se:
Provas
Caderno Container