Foram encontradas 1.195 questões.
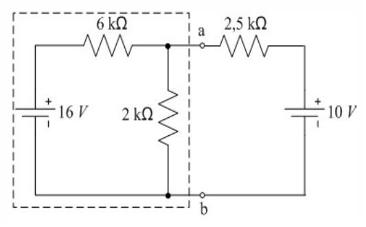
No circuito dado a seguir, todos os componentes são ideais.

Para o circuito mostrado, a tensão e a resistência de Thévenin, vistas dos pontos “a” e “b” são, respectivamente:
Provas
A formulação do modelo de séries temporais !$ A !$!$ R !$!$ I !$!$ M !$!$ A !$(1,1,1) é dada por
Provas
Quando um vetor !$ X !$ tem distribuição normal !$ p !$-variada, qualquer subconjunto de !$ k !$-variáveis de !$ X !$, !$ k !$ < !$ p !$, terá distribuição
Provas
O método das componentes simétricas aplicado a circuitos trifásicos consiste em transformar circuitos desequilibrados em três circuitos equilibrados, denominados: sequência zero, sequência positiva e sequência negativa. Considere um circuito trifásico, com condutor de neutro, onde os fasores das correntes são: !$ I !$!$ a !$ = 7,16∠0!$ o !$A; !$ I !$!$ b !$ = 2,31∠240!$ o !$A e !$ I !$!$ c !$ = 2∠90!$ o !$A. Nessas condições, a corrente de sequência zero é, aproximadamente:
Provas
Utilize a figura a seguir para responder às questões 42 e 43.

A figura ilustra um diagrama de blocos de um sistema linear com realimentação negativa, sendo o ganho do percurso direto igual a !$ G !$(!$ s !$) = S+3 2 , e o ganho do percurso de realimentação igual a !$ H !$(!$ s !$) = S 1 .
Os polos da função de transferência do sistema linear do diagrama estão localizados em que região do plano complexo ´s´?
Provas
Utilize a figura a seguir para responder às questões 42 e 43.

A figura ilustra um diagrama de blocos de um sistema linear com realimentação negativa, sendo o ganho do percurso direto igual a !$ G !$(!$ s !$) = S+3 2 , e o ganho do percurso de realimentação igual a !$ H !$(!$ s !$) = S 1 .
Para a entrada do diagrama, R(s), representada por uma função degrau unitário, a resposta, Y(s), na saída do sistema será:
Provas
Considere um capacitor de placas paralelas carregado com uma carga Q = 5 x 10-19 C. Um dielétrico com permissividade relativa !$ \varepsilon !$!$ r !$ = 5 é inserido entre as placas do capacitor. Nessas condições, a carga induzida no material dielétrico, devido à polarização, é
Provas
Analise a figura representativa de um quadripolo a seguir.

Um quadripolo é uma rede ou dispositivo de duas portas com dois pares de terminais, sendo que dois terminais constituem uma porta, desde que a corrente que entra seja a mesma corrente que sai de uma dada porta. As relações entre as grandezas V1, V2, I1 e I2 podem ser expressas em notação matricial por meio de parâmetros de impedâncias (z), parâmetros de admitância (y) e parâmetros híbridos (h). A correta definição de três dos parâmetros de um quadripolo é
Provas
Analise o circuito elétrico da figura a seguir.

A figura representa um circuito elétrico monofásico em regime permanente senoidal alimentado por duas fontes de tensão, !$ \dot V !$!$ a !$ e !$ \dot V !$!$ b !$. A equação que descreve a análise nodal para determinação das tensões nodais !$ \dot V !$1 e !$ \dot V !$2 é:
Provas
Seja !$ X !$ uma variável aleatória com !$ E !$(!$ X !$) = !$ \mu !$ e !$ c !$ um número real. Considere !$ E !$(!$ X !$ − !$ c !$)2 finita e !$ \varepsilon !$ qualquer número positivo. Nestas condições, a desigualdade de Tchebychev é dada por:
Provas
Caderno Container