Foram encontradas 50 questões.
CATÁLOGO NACIONAL DE CURSOS TÉCNICOS – APRESENTAÇÃO
Como parte da política de desenvolvimento e valorização da educação profissional e tecnológica de nível médio, apresentamos o Catálogo Nacional de Cursos Técnicos. Este Catálogo configura-se como importante mecanismo de organização e orientação da oferta nacional dos cursos técnicos de nível médio. Cumpre também, subsidiariamente, uma função indutora ao destacar novas ofertas em nichos tecnológicos, culturais, ambientais e produtivos, propiciando uma formação técnica contextualizada com os arranjos socio-produtivos locais, gerando novo significado para formação, em nível médio, do jovem brasileiro.
Convencidos da importância estratégica da educação profissional e tecnológica para o desenvolvimento socioeconômico sustentável do país, temos trabalhado arduamente em sua reconfiguração e expansão qualificada. A expansão da rede federal, o fomento à articulação entre educação científica e educação profissional, por meio do ensino médio integrado ou do Proeja, encontram no Catálogo uma poderosa ferramenta de orientação e indução que lista 185 possibilidades de formação para o trabalho.
Fonte: MEC-http://catalogonct.mec.gov.br/apresentacao.php. Acesso 13.04.10.
Observe este fragmento do texto:
“Cumpre também, subsidiariamente, uma função indutora ao destacar novas ofertas em nichos tecnológicos, culturais, ambientais e produtivos, propiciando uma formação técnica contextualizada com os arranjos socioprodutivos locais, gerando novo significado para formação, em nível médio, do jovem brasileiro.”
Quanto à pontuação da frase, afirma-se:
I. Há no fragmento oito vírgulas, todas elas estão corretamente empregadas e todas são obrigatórias.
II. Há no fragmento oito vírgulas empregadas corretamente, mas falta uma vírgula depois de ofertas, porque essa palavra completa o sentido da frase.
III. Das oito vírgulas do fragmento, todas elas estão empregadas corretamente, mas algumas delas não são obrigatórias.
Está(ão) CORRETA(S):
Provas
Questão presente nas seguintes provas
CATÁLOGO NACIONAL DE CURSOS TÉCNICOS – APRESENTAÇÃO
Como parte da política de desenvolvimento e valorização da educação profissional e tecnológica de nível médio, apresentamos o Catálogo Nacional de Cursos Técnicos. Este Catálogo configura-se como importante mecanismo de organização e orientação da oferta nacional dos cursos técnicos de nível médio. Cumpre também, subsidiariamente, uma função indutora ao destacar novas ofertas em nichos tecnológicos, culturais, ambientais e produtivos, propiciando uma formação técnica contextualizada com os arranjos socio-produtivos locais, gerando novo significado para formação, em nível médio, do jovem brasileiro.
Convencidos da importância estratégica da educação profissional e tecnológica para o desenvolvimento socioeconômico sustentável do país, temos trabalhado arduamente em sua reconfiguração e expansão qualificada. A expansão da rede federal, o fomento à articulação entre educação científica e educação profissional, por meio do ensino médio integrado ou do Proeja, encontram no Catálogo uma poderosa ferramenta de orientação e indução que lista 185 possibilidades de formação para o trabalho.
Fonte: MEC-http://catalogonct.mec.gov.br/apresentacao.php. Acesso 13.04.10.
Observe o exemplo seguinte retirado do texto:
“Este Catálogo configura-se como importante mecanismo de organização e orientação da oferta nacional dos cursos técnicos de nível médio”.
No exemplo, a concordância verbal e a concordância nominal ocorrem com substantivos, adjetivos e verbos no singular. Porém, se passarmos para o plural o substantivo Catálogo, para acontecer tanto a concordância nominal quanto a verbal corretamente, teremos de alterar, além da palavra Catálogo:
Provas
Questão presente nas seguintes provas
Um motor trifásico de 20cv, 220V, com rendimento de 88,5%, Ip/In = 7,5, com carga de 50% está ligado em triângulo e possui fator de potência de 0,6. Encontre a corrente de partida para esta máquina.
Provas
Questão presente nas seguintes provas
Sobre o dimensionamento de uma partida estrela triângulo de um motor de indução, assinale a alternativa CORRETA.
Provas
Questão presente nas seguintes provas
Para o pleno domínio dos conceitos sobre a determinação da iluminação em ambientes é fundamental o conhecimento das definições sobre as grandezas luminotécnicas. Dentre estas grandezas, assinale a define a seguinte afirmativa:
“É a potência de radiação visível disponível numa determinada direção”.
Provas
Questão presente nas seguintes provas
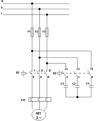
O circuito de força representado abaixo caracteriza:

Fonte: Manual de tarefas – Eng. Elétrica – Pucpr.
Provas
Questão presente nas seguintes provas
Um técnico que esteja programando (parametrizando) um inversor de frequência para o acionamento de um motor de indução terá que definir o ajuste da frequência de modulação (PWM) em uma faixa de 2kHz a 10kHz. Este profissional deverá conhecer que:
Provas
Questão presente nas seguintes provas
CATÁLOGO NACIONAL DE CURSOS TÉCNICOS – APRESENTAÇÃO
Como parte da política de desenvolvimento e valorização da educação profissional e tecnológica de nível médio, apresentamos o Catálogo Nacional de Cursos Técnicos. Este Catálogo configura-se como importante mecanismo de organização e orientação da oferta nacional dos cursos técnicos de nível médio. Cumpre também, subsidiariamente, uma função indutora ao destacar novas ofertas em nichos tecnológicos, culturais, ambientais e produtivos, propiciando uma formação técnica contextualizada com os arranjos socio-produtivos locais, gerando novo significado para formação, em nível médio, do jovem brasileiro.
Convencidos da importância estratégica da educação profissional e tecnológica para o desenvolvimento socioeconômico sustentável do país, temos trabalhado arduamente em sua reconfiguração e expansão qualificada. A expansão da rede federal, o fomento à articulação entre educação científica e educação profissional, por meio do ensino médio integrado ou do Proeja, encontram no Catálogo uma poderosa ferramenta de orientação e indução que lista 185 possibilidades de formação para o trabalho.
Fonte: MEC-http://catalogonct.mec.gov.br/apresentacao.php. Acesso 13.04.10.
Na classificação como gêneros, os textos informativos são aqueles que:
Provas
Questão presente nas seguintes provas
Os motores, de maneira geral, são projetados para operarem em modo contínuo, com carga nominal e por tempo indefinido. Esta característica define:
Provas
Questão presente nas seguintes provas
Um técnico recebeu uma tarefa para iluminar um consultório com nível de iluminação de 500 Lux, fator de utilização igual a 0,40 e fator de manutenção igual a 0,85 (para um período de manutenção de 5000 horas). Determine o número de luminárias do local, considerando as seguintes dimensões:
Largura: 4m
Comprimento: 7m
Altura de montagem: 2,2m
Comprimento: 7m
Altura de montagem: 2,2m
Provas
Questão presente nas seguintes provas
Cadernos
Caderno Container