Foram encontradas 50 questões.
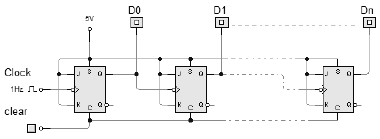
Quantos flip-flops JK, ligados em cascata (como no exemplo), são necessários para se criar um contador binário capaz de realizar uma contagem de 0 até 34, que, após atingir este valor, é novamente zerada por um elemento externo através do sinal clear?

Provas
Questão presente nas seguintes provas
Qual a frequência de saída de um retificador meia onda e onda completa em ponte?
Provas
Questão presente nas seguintes provas
Em relação à polarização de transistores, o que é reta de carga?
Provas
Questão presente nas seguintes provas
Seja a equação 3x + 3x-1 + 3x+3 = 255 .
É CORRETO afirmar que:
Provas
Questão presente nas seguintes provas
Um computador básico pode ser exemplificado através de blocos funcionais. Sendo assim, é CORRETO afirmar:
I. A CPU, a memória RAM, a memória ROM, o módulo de entrada e o módulo de saída compõem esses blocos.
II. Existirão barramentos de dados, de controle e de endereços.
III. Apenas os blocos de CPU e de ULA são considerados elementos básicos.
IV. A memória de trabalho é também conhecida como memória de acesso aleatório, ou memória RAM.
V. A ULA é um elemento externo que gerencia o acesso à memória de programa.
Provas
Questão presente nas seguintes provas
Durante a realização de uma medida utilizando um osciloscópio foi encontrada a forma de onda apresentada na figura abaixo. A partir das informações obtidas do gráfico, é CORRETO afirmar que:

Provas
Questão presente nas seguintes provas
CATÁLOGO NACIONAL DE CURSOS TÉCNICOS – APRESENTAÇÃO
Como parte da política de desenvolvimento e valorização da educação profissional e tecnológica de nível médio, apresentamos o Catálogo Nacional de Cursos Técnicos. Este Catálogo configura-se como importante mecanismo de organização e orientação da oferta nacional dos cursos técnicos de nível médio. Cumpre também, subsidiariamente, uma função indutora ao destacar novas ofertas em nichos tecnológicos, culturais, ambientais e produtivos, propiciando uma formação técnica contextualizada com os arranjos socio-produtivos locais, gerando novo significado para formação, em nível médio, do jovem brasileiro.
Convencidos da importância estratégica da educação profissional e tecnológica para o desenvolvimento socioeconômico sustentável do país, temos trabalhado arduamente em sua reconfiguração e expansão qualificada. A expansão da rede federal, o fomento à articulação entre educação científica e educação profissional, por meio do ensino médio integrado ou do Proeja, encontram no Catálogo uma poderosa ferramenta de orientação e indução que lista 185 possibilidades de formação para o trabalho.
Fonte: MEC-http://catalogonct.mec.gov.br/apresentacao.php. Acesso 13.04.10.
Na classificação como gêneros, os textos informativos são aqueles que:
Provas
Questão presente nas seguintes provas
Avaliando o circuito apresentado, qual deve ser o valor da impedância da carga para que haja a máxima transferência de potência do gerador?

Provas
Questão presente nas seguintes provas
Um material intrínseco é eletricamente estável. Ao adicionarmos impurezas do tipo pentavalentes ou trivalentes transformamos esse material em:
Provas
Questão presente nas seguintes provas
Um circuito demultiplexador deve ser empregado na decodificação de recepção de 67 sensores que estão conectados em um painel de supervisão de contatores. O sequenciamento e a memorização dos estados dos indicadores é realizado por intermédio de um microcontrolador. Assim quantos sinais de controle (seleção), de maneira otimizada, serão necessários para que esse demultiplexador apresente um sensor em cada indicador luminoso no painel de supervisão?
Provas
Questão presente nas seguintes provas
Cadernos
Caderno Container