Foram encontradas 50 questões.
Um amplificador operacional pode ser polarizado de quantas formas?
Provas
Questão presente nas seguintes provas
Um transistor pode operar em dois modos, como amplificador e como chave, este último podendo funcionar ainda como aberta ou chave fechada. Estes modos de operação também são encontrados nas literaturas como sendo, respectivamente:
I. Região de Corte, Região Ativa e Região de Saturação.
II. Região de Saturação, Região Ativa e Região de Corte.
II. Região de Saturação, Região Ativa e Região de Corte.
III. Região Ativa, Região de Saturação e Região de Corte.
IV. Região de Corte, Região de Saturação e Região Ativa
V. Região Ativa, Região de Corte e Região de Saturação.
IV. Região de Corte, Região de Saturação e Região Ativa
V. Região Ativa, Região de Corte e Região de Saturação.
Está(ão) CORRETA(S):
Provas
Questão presente nas seguintes provas
Um circuito de controle de carga utilizando um TIRISTOR deve ser protegido contra o incremento muito rápido da corrente em seu anodo (di/dt muito elevada). Como é realizada na prática essa proteção?
Provas
Questão presente nas seguintes provas
Qual desses equipamentos não pode ter sua potência sendo controlada por um circuito do tipo dimmer?
Provas
Questão presente nas seguintes provas
O sinal gerado pelo acionamento de uma chave ou botão mecânicos causa um problema a ser resolvido pelos sistemas digitais. Como é conhecido esse fenômeno?
Provas
Questão presente nas seguintes provas
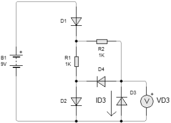
Para o circuito a seguir, considerando os diodos em 2° aproximação com Vj = 0,7V, calcule a corrente ID 3 e o valor da tensão VD3 indicada.

Provas
Questão presente nas seguintes provas
Avalie os circuitos e identifique quais funções lógicas eles representam:

Provas
Questão presente nas seguintes provas
Em um setor trabalham 8 técnicos em eletrônica e 6 técnicos em eletrotécnica. Deve ser formado um grupo com metade do total de técnicos, respeitando a proporção por especialidade. De quantas maneiras diferentes este grupo pode ser formado?
Provas
Questão presente nas seguintes provas
CATÁLOGO NACIONAL DE CURSOS TÉCNICOS – APRESENTAÇÃO
Como parte da política de desenvolvimento e valorização da educação profissional e tecnológica de nível médio, apresentamos o Catálogo Nacional de Cursos Técnicos. Este Catálogo configura-se como importante mecanismo de organização e orientação da oferta nacional dos cursos técnicos de nível médio. Cumpre também, subsidiariamente, uma função indutora ao destacar novas ofertas em nichos tecnológicos, culturais, ambientais e produtivos, propiciando uma formação técnica contextualizada com os arranjos socio-produtivos locais, gerando novo significado para formação, em nível médio, do jovem brasileiro.
Convencidos da importância estratégica da educação profissional e tecnológica para o desenvolvimento socioeconômico sustentável do país, temos trabalhado arduamente em sua reconfiguração e expansão qualificada. A expansão da rede federal, o fomento à articulação entre educação científica e educação profissional, por meio do ensino médio integrado ou do Proeja, encontram no Catálogo uma poderosa ferramenta de orientação e indução que lista 185 possibilidades de formação para o trabalho.
Fonte: MEC-http://catalogonct.mec.gov.br/apresentacao.php. Acesso 13.04.10.
Quanto ao emprego do pronome, observe o exemplo:
Pela importância estratégica da educação profissional para a evolução sustentável do país, temos trabalhado arduamente em sua reconfiguração.
Sobre o emprego do pronome sua sublinhado no exemplo, afirma-se:
I. O pronome substantivo possessivo sua se refere à expressão antecedente “evolução sustentável do país”.
II. O pronome adjetivo possessivo sua refere-se à expressão antecedente “educação profissional”.
III. O pronome adjetivo possessivo sua refere-se à expressão antecedente “evolução sustentável”.
IV. O pronome substantivo demonstrativo sua refere-se ao termo consequente “reconfiguração”.
III. O pronome adjetivo possessivo sua refere-se à expressão antecedente “evolução sustentável”.
IV. O pronome substantivo demonstrativo sua refere-se ao termo consequente “reconfiguração”.
Está(ão) CORRETA(S):
Provas
Questão presente nas seguintes provas
Para o circuito apresentado, avalie as afirmações:

I. Este circuito, quando configurado como amplificador, apresenta uma tensão VCE normalmente com um valor de VCC/2.
II. A resistência RE possui a finalidade de manter o ganho do circuito estável para variações de temperatura.
III. Uma redução na temperatura provoca um aumento da corrente de coletor.
IV. Para um amplificador nesta configuração, a variação de temperatura não provoca nenhum efeito nas correntes de polarização.
V. Através dos cálculos dos resistores de polarização, consegue-se fixar o valor do ganho do transistor, independente da variação térmica a que ele é submetido.
Está(ão) CORRETA(S):
Provas
Questão presente nas seguintes provas
Cadernos
Caderno Container