Foram encontradas 50 questões.
Considere um conversor AD flash 4 bits que possui sua tensão de referência em 10V. Após a conversão, ele disponibiliza uma palavra binária a um computador via porta paralela. Baseado nessas informações, calcule o valor de tensão convertido pelo AD, considerando que o valor binário entregue à porta paralela do computador foi de [1011B].
Provas
Questão presente nas seguintes provas
O snubber é um circuito de proteção composto por um resistor em série com um capacitor que é normalmente colocado em paralelo com o dispositivo de chaveamento. Considerando um TRIAC como dispositivo de chaveamento, qual a finalidade de se utilizar esse tipo de técnica de proteção?
Provas
Questão presente nas seguintes provas
Cinco amigos farão uma viagem usando um carro de passeio, que tem cinco lugares. Apenas três dos cinco são motoristas. Sabendo que não se pretende desrespeitar leis de trânsito, de quantas maneiras diferentes os cinco lugares podem ser ocupados durante um trajeto qualquer da viagem?
Provas
Questão presente nas seguintes provas
Nos circuitos flip-flops, encontram-se dois tipos de entradas, as sincronizadas e as assíncronas. Qual alternativa apresenta as entradas assíncronas nos flip-flops D e JK?
Provas
Questão presente nas seguintes provas
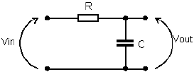
Considerando um resistor R = 10K, determine que tipo de filtro este circuito implementa e qual deve ser o capacitor para que a frequência de corte seja de 1KHz.

Provas
Questão presente nas seguintes provas
Seja uma progressão geométrica com razão !$ -{\large 3 \over 2} !$ , cujo primeiro termo é –32. É CORRETO afirmar que:
Provas
Questão presente nas seguintes provas
CATÁLOGO NACIONAL DE CURSOS TÉCNICOS – APRESENTAÇÃO
Como parte da política de desenvolvimento e valorização da educação profissional e tecnológica de nível médio, apresentamos o Catálogo Nacional de Cursos Técnicos. Este Catálogo configura-se como importante mecanismo de organização e orientação da oferta nacional dos cursos técnicos de nível médio. Cumpre também, subsidiariamente, uma função indutora ao destacar novas ofertas em nichos tecnológicos, culturais, ambientais e produtivos, propiciando uma formação técnica contextualizada com os arranjos socio-produtivos locais, gerando novo significado para formação, em nível médio, do jovem brasileiro.
Convencidos da importância estratégica da educação profissional e tecnológica para o desenvolvimento socioeconômico sustentável do país, temos trabalhado arduamente em sua reconfiguração e expansão qualificada. A expansão da rede federal, o fomento à articulação entre educação científica e educação profissional, por meio do ensino médio integrado ou do Proeja, encontram no Catálogo uma poderosa ferramenta de orientação e indução que lista 185 possibilidades de formação para o trabalho.
Fonte: MEC-http://catalogonct.mec.gov.br/apresentacao.php. Acesso 13.04.10.
No texto, o conceito de Catálogo é:
Provas
Questão presente nas seguintes provas
Qual é o significado do termo TRISTATE, normalmente representado pela letra Z?
Provas
Questão presente nas seguintes provas
Avalie as afirmações a seguir:
I. Um sinal de PWM (modulação por largura de pulso) não pode ser aplicado em sistemas de controle de cargas indutivos.
II. O PWM (modulação por largura de pulso) somente tem aplicação em sistemas amplificadores de áudio.
III. O TRIAC permite somente o disparo com gatilho negativo, já o SCR é disparado com gatilho positivo e gatilho negativo.
IV. A técnica de PWM (modulação por largura de pulso) permite o controle de motores CC e CA, utilizando seus respectivos drivers de potência.
V. O TRIAC é disparado com gatilho positivo e negativo; já o SCR é disparado somente com gatilho positivo.
Está(ão) CORRETA(S):
Provas
Questão presente nas seguintes provas
Considerando uma tensão VF = 50V, frequência de 60Hz, e corrente I = 100mA, determine o valor do capacitor e do resistor no circuito apresentado para que o resistor tenha sobre ele ¼ da tensão de alimentação do circuito.

Provas
Questão presente nas seguintes provas
Cadernos
Caderno Container