Foram encontradas 1.245 questões.
O ioiô é um brinquedo de diversão muito antigo, até hoje não se sabe ao certo a sua origem. A figura abaixo ilustra um ioiô de massa M , que consiste em dois discos de raio R ligados por um eixo de raio R0. Os discos e o eixo contribuem para a massa do brinquedo. O sistema todo tem momento de inércia Icm , em relação ao seu centro de massa. O ioiô está sob a ação da gravidade, preso à extremidade inferior de uma corda de massa desprezível. Em certo instante t0 , o ioiô está girando com velocidade angular \( \omega_0 \) e seu centro de massa tem velocidade vcm , para cima. O valor de \( \omega_0 \) , para que o ioiô percorra, a partir de t0 , um comprimento L para cima e pare de girar e subir, é

Provas
Na figura abaixo, estão representados a cozinha e um pequeno refeitório de um prédio comercial. De acordo com a NBR 5.410/2004, a potência mínima para a iluminação do refeitório e a quantidade mínima de tomadas de uso geral na cozinha são, respectivamente,

Provas
O Governo dos presidentes Lula da Silva e Dilma Rousseff são conhecidos como governos que priorizaram algumas políticas socais. No conjunto dessas políticas estão as políticas públicas para a promoção da Segurança Alimentar e Nutricional (LOSAN – lei n.º 11.346/2006) que garante o direito de todos ao acesso regular e permanente a alimentos de qualidade e quantidade suficiente. Dentre essas políticas são desenvolvidos vários programas, como: o Programa de Aquisição de Alimentos (PAA) e o Programa Nacional de Alimentação Escolar (PNAE). Esses programas, por sua vez, contemplam as políticas de desenvolvimento rural, a exemplo, a PNAE, por meio da lei nº 11.947/2009, determina que no mínimo 30% do valor repassado aos Estados, Município e Distrito Federal devem ser utilizados na compra de gêneros alimentícios oriundos da produção agrícola de um determinado grupo de trabalhadores.
Assinale a alternativa que contém o grupo de trabalhadores priorizados pelo programa citado acima.
Provas
No Brasil, dentre as lutas pelo reconhecimento das diferenças, as reivindicações dos movimentos negro, indígena, de educadores e intelectuais comprometidos com a educação pautada nos princípios da interculturalidade contribuíram para o estabelecimento de legislações concernentes às suas problemáticas específicas. Marque a alternativa que apresenta algumas dessas legislações.
Provas
“O real é relacional”. Essa premissa pode ser compreendida como uma síntese teórico-metodológica desenvolvida por Pierre Bourdieu em suas pesquisas, no intuito de evitar os modos de pensar substancialista e essencialista. A estrutura relacional operacionalizada em suas pesquisas mobiliza, de uma perspectiva mais geral, fundamentalmente três dimensões de análise. Indique a opção em que elas se apresentam.
Provas
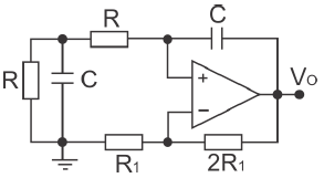
O circuito, mostrado na figura abaixo, é um oscilador com ponte de Wien que está oscilando perfeitamente na frequência projetada. A respeito desse oscilador, assinale a alternativa CORRETA.

Provas
Em seu Tractatus o filósofo austríaco Ludwig Wittgenstein (1889-1951) na proposição 4112 afirma que o papel da filosofia é: “(...) a clarificação lógica dos pensamentos. A filosofia não é uma doutrina, mas uma atividade. Um trabalho filosófico consiste essencialmente em elucidações. O resultado da filosofia não é „proposições filosóficas", mas o esclarecimento de proposições” Daí pode-se concluir que, para Wittgenstein, a filosofia deve
Provas
A indústria do petróleo classifica suas operações de perfuração em operações normais e operações especiais. São consideradas operações normais de perfuração:
Provas
O goaball é um jogo praticado por pessoas com deficiência visual e tem como principais benefícios a percepção tátil, auditiva, trabalho de deslocamento e arremesso.
São regras do goaball:
Provas
No treinamento desportivo, a capacidade física de resistir à fadiga nos esforços de intensidade média à elevada, durante o maior tempo possível, é denominada resistência
Provas
Caderno Container