Foram encontradas 50 questões.
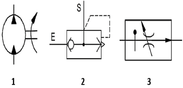
A Associação Brasileira de Normas Técnicas, através das referências normativas da ISO 1219-1, ISO 1219-2 e do Projeto de Norma Internacional ISO/DIS 14617-5, padronizou os símbolos gráficos e diagramas de circuitos dos sistemas e componentes hidráulicos e pneumáticos. De acordo com esta norma, assinale a alternativa que descreve a nomenclatura CORRETA dos símbolos abaixo, respectivamente.

Provas
A Norma ABNT - NBR 8404/1984 fixa indicação do estado de superfícies em desenho técnico. Analisando a figura abaixo sobre a simbologia utilizada para representar a rugosidade, assinale a alternativa que CORRESPONDE ao significado da indicação b.

Provas
Em relação aos critérios de escolha adequada da graxa lubrificante. Assinale (V) para verdadeira e (F) para falsa e, em seguida, marque a alternativa CORRETA.
I. A consistência é um fator de grande importância para a escolha adequada da graxa. Quanto menor for a velocidade e mais altas forem a temperatura e a carga, menor deverá ser a consistência.
II. O ponto de gota de uma graxa é a temperatura em que se inicia a mudança do estado pastoso para o estado líquido. Na prática, usa-se limitar a temperatura máxima de trabalho em 20 a 30°C abaixo de seu ponto de gota.
III. A bombeabilidade é a capacidade de a graxa fluir pela ação do bombeamento. A bombeabilidade de uma graxa depende de três fatores: 1) viscosidade do óleo; 2) consistência da graxa; 3) tipo de sabão.
IV. As graxas de boa qualidade apresentam estabilidade quando em trabalho, e não escorrem das partes a lubrificar. As graxas de sabão de lítio possuem, geralmente, uma baixa resistência ao trabalho, têm resistência ótima à ação da água, na qual são insolúveis e suportam temperaturas baixas.
A sequência está CORRETA em:
Provas
O setor de projeto de instalações elétricas utiliza os símbolos de dados das normas IEC 60417 (símbolos gráficos para usar um equipamento) e IEC 60617 (símbolos gráficos para diagramas). Assinale a alternativa que representa os símbolos gráficos dos condutores utilizados no interior do eletroduto mostrado na figura abaixo, respectivamente:

Provas
O Software CAD (AutoCAD) é uma tecnologia utilizada para design e documentação técnica de projetos. Em relação aos comandos utilizados para desenhos técnicos dimensionais (2D), analise as assertivas abaixo.
I. O comando STRETCH permite que se estique objetos (aumentando ou reduzindo) no valor que se deseja.
II. O comando EXPLODE transforma objetos simples em objetos compostos.
III. O comando JOIN reagrupa linhas e arcos que são colineares e coplanares, ou seja, as linhas não precisam pertencer à mesma reta e podem estar em alturas diferentes no espaço.
IV. O comando EXTEND permite cortar um determinado objeto até o limite selecionado.
Com base nas afirmações, marque a alternativa CORRETA.
Provas
A manutenção é um elemento decisivo para que um sistema produtivo alcance suas metas. Com relação à administração de estoque para manutenção, analise o quadro a seguir, associando os itens CORRETAMENTE.
|
Classificação do estoque |
Características |
|
1- Classificação ABC |
A- Apresenta o sistema de controle de estoque recomendável para os materiais classe C, devido à simplicidade nesse processo. Para estes materiais não são feitos inventários e seu custo é diluído no custo da manutenção. |
|
2- Sistema duas gavetas |
B- É um sistema que classifica os materiais da manutenção quanto a sua importância na aplicação e influência do processo produtivo. |
|
3- Sobressalente crítico |
C- Visa reduzir os investimentos em estoques, controlá-los seletivamente e diminuir os riscos de falta de material. Corresponde ao método fundamentado na verificação do consumo, em valor monetário ou quantidade dos itens de estoque, com categorização em ordem decrescente de importância. |
|
4- Interferência na produção XYZ |
D- Elemento de grande interferência na produção, não tem demanda normal prevista e, geralmente, após encomendado, tem longo prazo de espera para sua entrega. Esses materiais devem ser analisados com muito cuidado quando entrarem para estoque. Pode ser classificado em dois níveis: nível 1/0 e nível 2/1. |
Assinale a alternativa que representa a sequência CORRETA:
Provas
Associe os dispositivos de proteção às suas respectivas funções:
Disjuntor
Fusível
Relé térmico
Relé de sobrecarga
1- Dispositivo de proteção elétrica que tem como função desligar automaticamente um circuito elétrico quando há uma sobrecarga ou curto-circuito. São dispositivos de proteção rearmáveis, o que significa que, após o desligamento automático, eles podem ser religados manualmente, permitindo a restauração do funcionamento do circuito elétrico.
2- Dispositivo de proteção elétrica que tem como função detectar o aumento de corrente elétrica em um circuito e desligá-lo automaticamente caso a corrente ultrapasse um valor pré-determinado por um determinado período de tempo. Pode ser ajustado para operar em diferentes níveis de corrente elétrica, dependendo das especificações do circuito elétrico e dos equipamentos elétricos envolvidos.
3- Dispositivo de proteção elétrica que tem como função interromper a passagem de corrente elétrica em um circuito quando a corrente elétrica ultrapassa um valor máximo suportado. São dispositivos de proteção não rearmáveis, o que significa que, após o desligamento, deve ser substituído para permitir a restauração do funcionamento do circuito elétrico.
4- Dispositivo de proteção elétrica que tem como função detectar a sobrecarga de corrente elétrica em um motor elétrico e desligá-lo automaticamente caso a temperatura do motor atinja um nível crítico.
Assinale a opção que apresenta a associação CORRETA:
Provas
Um mecânico aplica uma força de F = 800 N a uma distância 30 cm do centro de uma porca. Quando estava perto de desatarraxar a porca, o mecânico conecta um prolongamento à ferramenta, de modo que o novo ponto de execução da força é a uma distância de 150 cm do centro da porca. Determine o novo valor do módulo da Força (em N), para desatarraxar a porca.

Provas
No processo de soldagem MIG/MAG (Metal Inert Gas/Metal Active Gas), a técnica de transferência de metal por curto-circuito ocorre:
Provas
Disciplina: Direito Educacional e Tecnológico
Banca: CENTEC
Orgão: SEDUC-CE
De acordo com a Resolução CNE/CP nº 1, de 05 de janeiro de 2021, são critérios para o planejamento e a organização de cursos de Educação Profissional e Tecnológica, EXCETO:
Provas
Caderno Container