Foram encontradas 50 questões.
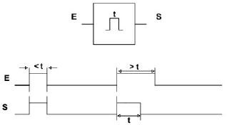
Na automação utilizamos diversos dispositivos que auxiliam na escrita de um programa. O temporizador tem uma ampla aplicação, basta imaginar a necessidade de um evento ocorrer antes ou depois, como interrupções ou pulsos. No esquema a seguir podemos evidenciar a utilização de um temporizador:

Provas
No circuito a seguir podemos observar 6 resistores ideais de 150Ω. O valor do resistor equivalente é:

Provas
Quando falamos em sistemas de geração distribuída estamos abordando de maneira direta sistemas onde os consumidores geram sua própria energia de forma independente. De acordo com o tipo de instalação, podemos ter sistemas on-grid e off-grid. Diante do exposto, os sistemas conectados à rede elétrica, possuem quatro modalidades principais. Podemos definir Autoconsumo remoto como:
Provas
De acordo com a NBR 5410, na determinação das cargas de iluminação:
“Em cômodo ou dependências com área superior a 6 m², deve ser prevista uma carga mínima de:”
Provas
O item 3 da NBR 5410, trata da aplicação de definições, segundo ABNT NBR IEC 60050(826). O item 3.2 trata sobre proteção contra choques elétricos.
I. Meio destinado a impedir contato com partes vivas perigosas em condições normais.
II. Meio destinado a garantir a proteção contra choques elétricos em situações de maior risco de perda ou anulação das medidas normalmente aplicáveis, de dificuldade no atendimento pleno das condições de segurança associadas à determinada medida de proteção e/ou, ainda, em situações ou locais em que os perigos do choque elétrico são particularmente graves.
III. Meio destinado a suprir a proteção contra choques elétricos quando massas ou partes condutivas acessíveis tornam-se acidentalmente vivas.
A definição CORRETA para os itens proteção básica, proteção supletiva e proteção adicional, respectivamente são:
Provas
A NBR 5410 aplica-se principalmente às instalações elétricas de edificações, qualquer que seja o uso. A norma NÃO se aplica a:
Provas
A NBR 5410 estabelece as condições a que devem satisfazer as instalações elétricas de baixa tensão, a fim de garantir a segurança de pessoas e animais, o funcionamento adequado da instalação e a conservação dos bens. Quando o quesito é segurança, alguns produtos são identificados pelo símbolo:

Provas
Os transformadores trifásicos possuem enrolamentos primários e secundários preparados para serem ligados de acordo com esquemas que seguem uma numeração normalizada. Assinale a alternativa que possui a sequência de numeração CORRETA para o esquema de ligação duplo estrela 12 terminais.

Provas
Sobre grandezas magnéticas e suas unidades de medida podemos afirmar que o número total de linhas do imã denomina-se fluxo de indução magnética “!$ \phi !$” e tem como sua unidade no SI e CGS respectivamente:
Provas
Disciplina: Direito Educacional e Tecnológico
Banca: CENTEC
Orgão: SEDUC-CE
De acordo com a Resolução CNE/CP nº 1, de 05 de janeiro de 2021, são critérios para o planejamento e a organização de cursos de Educação Profissional e Tecnológica, EXCETO:
Provas
Caderno Container