Foram encontradas 60 questões.
A Lei Complementar nº 94 autorizou o Poder Executivo a criar a Região Integrada de Desenvolvimento do Distrito Federal e Entorno (RIDE-DF) e instituir o Programa Especial de Desenvolvimento do Entorno do Distrito Federal. E, no art. 3º, discorre acerca dos serviços públicos comuns ao DF e aos municípios que integram esta RIDE e coloca em destaque especial esses serviços relacionados às áreas de infraestrutura e de
Provas
De acordo com a Lei Complementar nº 94/1998, que autoriza o Poder Executivo a criar a Região Integrada de Desenvolvimento do Distrito Federal e Entorno (RIDE-DF), quanto ao conceito de RIDE, assinale a alternativa correta.
Provas
Diagrama do Circuito do Conversor CC-CC (Rashid, 2014)

RASHID, M. H. Eletrônica de potência: dispositivos, circuitos e aplicações. 4. ed. Pearson, 2014.
O circuito ilustrado corresponde a um conversor
Provas
Em processamento do sinal, a finalidade do Teste de White é a de
Provas
Assinale a alternativa que correspondente à forma de modulação de sinal na qual a informação da mensagem é codificada de acordo com a amplitude de uma série de pulsos monodimensionais reais.
Provas
A impedância de uma porção de um circuito é dada por !$ Z=\sqrt{R^2-L^2ω^2} !$
Considerando que todos os parâmetros têm uma incerteza, assinale a alternativa que apresenta a incerteza !$ ΔZ !$ da impedância.
Provas

Considerando esse circuito de amplificação típico com sua resposta característica, assinale a alternativa que indica a classe do referido amplificador.
Provas

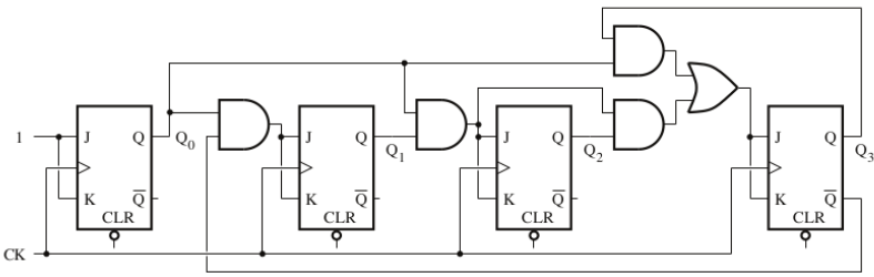
De acordo com o circuito digital apresentado, conclui-se que a sua função é a de contador
Provas
A conexão em um ponto comum entre os enrolamentos dos lados primário e secundário de um transformador de dois enrolamentos converte essa máquina em um autotransformador, o qual
Provas
Em relação à conversão eletromecânica de energia das máquinas de corrente alternada, assinale a alternativa correta.
Provas
Caderno Container