Foram encontradas 60 questões.
Em determinadas situações, há necessidade da utilização de um circuito elétrico equivalente para representar o transformador. Na figura abaixo, temos representado o circuito equivalente por fase de um transformador de distribuição de 100 kVA, 13.800/380V.

Dados: R1 = 5\( \Omega \) ,R2 = 0,005 \( \Omega \), R3 = 50k\( \Omega \)
X1 = 6\( \Omega \) , X2 = 0,006 \( \Omega \), X3 = 10k\( \Omega \)
Considere as sentenças abaixo:
I. O circuito está refletido para o lado de baixa tensão.
II. A resistência R1 representa as perdas elétricas no enrolamento de alta tensão.
III. A reatância X3 indica as perdas que ocorrem no núcleo do transformador.
IV. A reatância X2 representa o fluxo magnético perdido no enrolamento de baixa tensão.
É CORRETO apenas o que se afirma em:
Provas
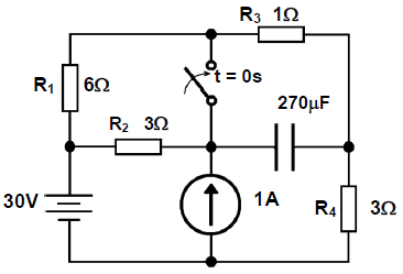
A chave do circuito abaixo é fechada no instante t = 0s. Considere todos os elementos como ideais.

Em relação ao regime permanente do circuito para t \( \ge \) 0, é CORRETO afirmar que:
Provas
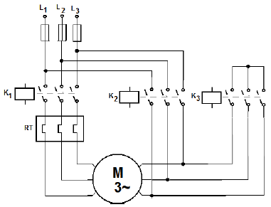
Um dos instantes críticos no acionamento de motores elétricos é a partida. Neste momento, os motores solicitam uma corrente muito maior do que a verificada no regime contínuo, podendo chegar a oito vezes o valor nominal. O diagrama abaixo representa uma solução para reduzir o efeito relatado.

Em relação à chave de partida, que utiliza o diagrama mostrado, verificamos que, na partida, a corrente é da nominal, a tensão aplicada nos enrolamentos é da tensão nominal e o conjugado eletromagnético desenvolvido é de do conjugado nominal.
A opção que completa as lacunas CORRETAMENTE é
Provas
Para a composição do relatório de uma visita técnica ao Complexo Hidrelétrico da CHESF–BA, um grupo de alunos registrou as informações, listadas abaixo, a respeito das Turbinas e Geradores da Usina de Paulo Afonso IV:
|
Turbinas |
Geradores |
|
Tipo Francis de eixo vertical |
Síncrono vertical |
|
Quantidade: 6 |
Quantidade: 6 |
|
Velocidade nominal: 120 rpm |
Potência instalada por unidade: 410,4 MW |
|
Vazão: 385 m/s |
Corrente nominal: 14.626 A |
|
Potência: 403 MW |
Frequência: 60 Hz |
|
Diâmetro do rotor: máx = 6,55m e mín = 5,75m |
Tensão entre fases: 18 kV |
Sabendo que o conjunto turbina/gerador funciona acoplado e movido pela ação da água, os alunos chegaram à conclusão de que os geradores da usina apresentam as seguintes características:
Provas
Em uma experiência com o objetivo de demonstrar a eficiência da utilização de capacitores para a correção do fator de potência, utilizou-se um motor monofásico de 1/2 CV, rendimento 75%, com fechamento para 127 V. Para a medição das grandezas elétricas na fonte, foram inseridos os seguintes instrumentos: um voltímetro; um amperímetro; um wattímetro; um frequencímetro e um cossímetro. As indicações dos instrumentos, nessa etapa do experimento, estão listadas abaixo.
Voltímetro: 125 V
Amperímetro: 6,4 A
Wattímetro: 200 W
Frequencímetro: 60 Hz
Cossímetro: .................................
Na sequência, conectou-se um banco de capacitores em paralelo com o motor. Esse banco era formado a partir da ligação em paralelo de quatro capacitores de 30µF, 350V. Realizou-se, novamente, as leituras dos instrumentos, e os resultados estão mostrados abaixo.
Voltímetro: 125 V
Amperímetro: ......................
Wattímetro: 200 W
Frequencímetro: 60 Hz
Cossímetro: 0,94 atrasado
Com base nas informações apresentadas, a opção que apresenta a leitura do cossímetro na primeira etapa do experimento e a leitura do amperímetro, na segunda etapa, após a inclusão do banco capacitivo é:
Provas
Atualmente, os inversores de frequência são largamente utilizados no acionamento dos motores de indução trifásicos. Uma das técnicas de controle empregadas por esses conversores é o controle escalar (V/f), que consiste basicamente em manter constante a relação entre tensão e frequência aplicadas ao motor.
Em relação ao controle V/f, é CORRETO afirmar que:
Provas
Observe as duas colunas
1ª coluna
I. Motor Gaiola
II. Motor Bobinado
III. Motor Síncrono
2ª coluna
( ) Aceleração rotórica
( ) Velocidade constante
( ) Manutenção mais simples
( ) Ímãs permanentes
( ) Maior robustez
( ) Partida somente sem carga
Considerando que os motores citados estão com suas características nominais e que nenhum método eletrônico foi utilizado, assinale a opção que relaciona CORRETAMENTE as duas colunas.
Provas
Um Transformador de Corrente (TC) é utilizado para medição nos sistemas de potência e consiste basicamente em um enrolamento secundário em torno do primário que, neste caso, é o próprio condutor da fase (linha) em que está inserido. A corrente no secundário do TC é diretamente proporcional à corrente que circula no primário e é utilizada em determinados dispositivos tais como relés de proteção, disjuntores etc.
É extremamente importante que o do TC esteja permanentemente , porque extremamente elevadas poderão surgir se os seus terminais estiverem .
A sequência que completa as lacunas acima é mostrada CORRETAMENTE em:
Provas
As placas de identificação das máquinas elétricas nos dão informações a respeito dos seus valores nominais e formas de ligação. Considere as afirmações em relação à placa mostrada na figura abaixo.

I. O escorregamento nominal é de 5%.
II. A máquina é um motor assíncrono de 4 polos.
III. A corrente na partida direta é superior a 150 A.
IV. O motor suporta uma sobrepotência de 20%.
É CORRETO apenas o que se afirma em:
Provas
- UniãoExecutivoDecreto 1.171/1994: Código de Ética do Servidor Público Civil do Poder Executivo Federal
Assinale a alternativa CORRETA de acordo com o Código de Ética Profissional do Servidor Público aprovado pelo Decreto nº 1.171/1994.
Provas
Caderno Container